.

Diseño de un controlador robusto basado en Lmis aplicado en un Quadrotor

Design of a robust controller based on Lmis applied on a Quadrotor

DOI: http://doi.org/10.17981/ingecuc.18.1.2022.04

Artículo de Investigación Científica. Fecha de Recepción: 04/07/2020. Fecha de Aceptación: 02/26/2021.

Jefferson Sarmiento-Rojas orcid_24x24

Universidad del Rosario. Bogotá, D.C. (Colombia)

jefferson.sarmiento@urosario.edu.co

Para citar este artículo:

J. Sarmiento-Rojas, “Diseño de un controlador robusto basado en Lmis aplicado en un Quadrotor”, INGE CUC, vol. 18, no. 1, pp. –50, 2022. DOI: http://doi.org/10.17981/ingecuc.18.1.2022.04

Resumen

Introducción— Una Aeronave No Tripulada UAV o UAVS, por sus siglas en inglés, es aquella capaz de realizar un vuelo sin necesidad de tener un piloto a bordo. Las técnicas de control aplicadas en sistemas de aeronaves no tripuladas son utilizadas para mejorar el desempeño y estabilidad de estos sistemas. Varias técnicas de control se han creado con el objetivo de automatizar este tipo de sistemas, teniendo como objetivo final mejorar el rendimiento buscando las condiciones óptimas de desempeño. Los quadrotores son un tipo de vehículo aéreo no tripulado que actualmente es utilizado debido a su facilidad de Despegue y Aterrizaje Vertical (VTOL), es un sistema ideal para aplicar estrategias de control debido a su modelo matemático no linealidad y su comportamiento inestable ante perturbaciones externas, que en su mayoría son variables ambientales. Objetivo: Establecer las ventajas que presenta la implementación de un control robusto basado en desigualdades lineales matriciales, frente a un controlador por realimentación de estados implementado en un vehículo aéreo no tripulado tipo quadrotor.

Metodología— En este trabajo se diseñaron e implementaron dos estrategias de control lineal: control por realimentación de estados, y control basado en Desigualdades de Matriz Lineal LMI, por lo tanto, en este trabajo utilizó un modelo linealizado del quadrotor representado en variables de estado.

Resultados— Los controladores son estables frente a perturbaciones externas y perturbaciones dadas por el ambiente. Para el caso de los ángulos Pitch y Roll, el set point fue ajustado en 0 grados, y para el caso del ángulo yaw, el set point fue ajustado en 100 grados. En este trabajo se muestra el desempeño de la estrategia de control basada en LMIs, tiempos de respuesta cortos y mantiene un punto de equilibrio entre –2 y 2 grados de cada eje, permitiendo estabilizar el quadrotor en cada ángulo de rotación.

Conclusiones— El controlador basado en LMIs presenta múltiples ventajas frente a la estrategia de control por realimentación de estados, ya que permite incluir varios criterios de diseño de controladores como lo son: la entrada de control, la ubicación de polos, la definición de la norma H infinito, incertidumbres y perturbaciones. Además, el controlador basado en LMIs se presenta como una solución para ser implantada en un sistema real ya que mejoró significativamente el sobre pico máximo, la respuesta ante perturbaciones externas, el tiempo de respuesta y estabilización de quadrotor en las pruebas realizadas.

Palabras clave— Control automático; quadrotor; control robusto; LMIs; realimentación de estados

Abstract

Introduction— An Unmanned Aircraft UAV or UAVS, for its acronym in English, is one capable of performing a flight without the need for a pilot on board. The control techniques applied in unmanned aircraft systems are used to improve the performance and stability of these systems. Several control techniques have been created to automate systems, aiming to improve the performance of these looking for optimal performance conditions. Quadrotors are a type of unmanned aerial vehicle that is currently used due to its ease of Vertical Take-Off and Landing (VTOL), it is an ideal system to apply control laws because of its non-linearity and its unstable behavior in the face of external disturbances, usually environmental variables.

Objective— Establish the advantages of the implementation of a robust control based on linear matrix inequalities, compared to a state feedback controller implemented in a quadrotor type unmanned aerial vehicle.

Methodology— Two linear control strategies were designed and implemented: control by location of poles and zeros, and control based on Linear Matrix Inequalities LMI; therefore, in this work a linear model of the quadrotor represented in state variables was used.

Results— The controllers are stable against external disturbances and disturbances caused by the environment. For the Pitch and Roll angles, the set point was adjusted to 0 degrees, and for the yaw angle, the set point was adjusted to 100 degrees. This paper shows the performance of the control strategy based on LMIs, short response times and maintains an equilibrium point between –2 and 2 degrees on each axis, allowing the quadrotor to stabilize at each angle of rotation.

Conclusions— The controller based on LMIs has multiple advantages compared to the state feedback control strategy, since it allows the inclusion of several controller design criteria such as: the control input, the poles location, the definition of the infinite H norm, uncertainties, and disturbances. In addition, the LMI-based controller is presented as a solution to be implemented in a real system as it significantly improved the maximum overshoot, the response to external disturbances, the response time and quadrotor stabilization in the tests carried out.

Keywords— Automatic control; quadrotor; robust control; LMIs; state feedback

I. Introducción

Una Aeronave No Tripulada UAV o UAVS, por sus siglas en inglés (Unmanned Aerial Vehicle), es aquella capaz de realizar un vuelo sin necesidad de tener un piloto a bordo, en algunos casos es necesario maniobrar las aeronaves desde un mando de control que está ubicado en tierra. Por consiguiente, los vehículos UAV están conformados por dos partes: el vehículo UAV y el control de mando de la aeronave [1].

Un quadrotor se puede clasificar como una aeronave con características de despegue y aterrizaje vertical, y logra todos sus desplazamientos en el aire y su estabilidad gracias a cuatro pares motores-hélices ubicados en los extremos de su chasis en forma de cruz “+” o de equis “x”. Esta configuración y movimientos se logran gracias a la tarjeta de vuelo la cual se encarga de controlar los motores de acuerdo con la configuración seleccionada.

En los últimos años diversas investigaciones se han enfocado en la autonomía de los vehículos UAV tipo quadrotor, para optimizar su estabilidad en el aire y mejorar su desempeño en las misiones para las cuales son utilizados [2], [3]. Con los aportes de varios estudios en el tema [4], se podría pensar que en un futuro cercano este tipo de vehículos no se concebirán como dos sistemas independientes, sino como un vehículo completamente autónomo, en donde la tarea del piloto estará limitada a programar la misión del vehículo aéreo no tripulado.

Las técnicas de control en sistemas aéreos no tripulados son utilizadas para mejorar el desempeño y estabilidad de los sistemas. Varias técnicas de control como controladores PID, LQR, LQG, Backstepping, Fuzzy Logic, entre otros [5], se han creado con el propósito de automatizar los vehículos tipo quadrotor teniendo como objetivo final mejorar su rendimiento buscando las condiciones óptimas de desempeño durante el vuelo [4]. Una característica importante del quadrotor es que es un sistema ideal para implementar técnicas modernas de control debido a que tiene un modelo matemático no lineal y presenta comportamiento inestable ante perturbaciones externas, generalmente causadas por el entorno [6]. De acuerdo con la literatura, estos problemas no han sido solucionado con las teorías de control clásicas.

Este trabajo busca presentar los resultados de implementar dos estrategias de control; la estrategia por realimentación de estados como estrategia de control y control basado en LMIs como una estrategia de control robusto por medio de dos metodologías de trabajo. La primera metodología es muy utilizada en la literatura y se caracteriza por modelar e implementar estrategias de control por medio de simulaciones de software. La segunda metodología utilizada es la implementación del controlador en una planta real; en este caso, el modelo matemático y el diseño del controlador son implementados en el quadrotor, lo que permite validar de una forma real el comportamiento del modelo y la estrategia de control [6].

El propósito de este artículo es establecer las ventajas que presenta la implementación de un control robusto basado en desigualdades lineales matriciales, frente a un controlador por realimentación de estados implementado en un vehículo aéreo no tripulado tipo quadrotor. El control de vehículos aéreos no tripulados se ha convertido en un reto a la hora de diseñar algoritmos y técnicas de control debido a su modelo matemático y su poca estabilidad sin la presencia de un piloto en tierra, además de los retos que se representa al momento de implementar este tipo de técnicas de control en un modelo real [7].

Este trabajo está dividido de la siguiente manera: En la sección II se encuentra el modelo matemático del quadrotor obteniendo la representación de variables de estado. En la sección IIB se valida el modelo matemático mediante simulación en Matlab 2017b, SIMULINK y experimentación en un quadrotor real. En las secciones III y IV se plantea el diseño e implementación de dos estrategias de control lineal; la estrategia de control por re­alimentación de estados y la estrategia de control basado en LMIs a partir del modelo matemático planteado. En la sección V se implementa la técnica de control por realimentación de estados utilizando LMIs en un quadrotor real. Por último, las conclusiones son presentadas en la sección VI.

II. Modelo Matemático Quadrotor

El sistema seleccionado para la realización de pruebas experimentales corresponde a un UAV tipo quadrotor, distribuido por la empresa Hobbyking de referencia “Turnigy Micro Quad V3 PNP ARF” [8]. El quadrotor contiene algunos componentes preconectados para el vuelo: los controladores de velocidad y los motores. Este sistema es compatible con tarjetas de desarrollo open-source lo cual facilita el desarrollo e investigación. El quadrotor real se muestra en la Fig. 1.

Fig. 1. Turnigy Micro Quad V3 PNP ARF (Modelo Real).
Fuente: Autores.

El principio del funcionamiento del quadrotor se fundamenta en el aumento y disminución de la velocidad de sus cuatro motores; permitiendo clasificar al quadrotor como un vehículo sub-actuado, ya que posee solo cuatro motores para lograr todos los movimientos espaciales. En la Fig. 2 se observa el modelo en 3D del quadrotor y los respectivos giros de los motores que le permiten al quadrotor realizar sus desplazamientos.

Fig. 2. Quadrotor 3D y Movimiento de Actuadores.
Fuente: Autores.

Los movimientos en el aire del quadrotor se basan en la variación de la aceleración de sus motores; si se quiere lograr un desplazamiento del quadrotor en el aire es necesario reducir en pequeñas proporciones la velocidad ΔA en sus motores Fig. 3. Si se quiere obtener un desplazamiento hacia delante del quadrotor se reduce la velocidad ΔA del motor M1 en pequeñas proporciones logrando que se genere un ángulo en este eje.

Fig. 3. Variación de velocidad ΔA.
Fuente: Autores.

ΔA: es una variación positiva que se le suma a la constante de aceleración Ω representando un incremento con respecto al motor contiguo a su eje para lograr el movimiento.

A. Representación en variables de Estado

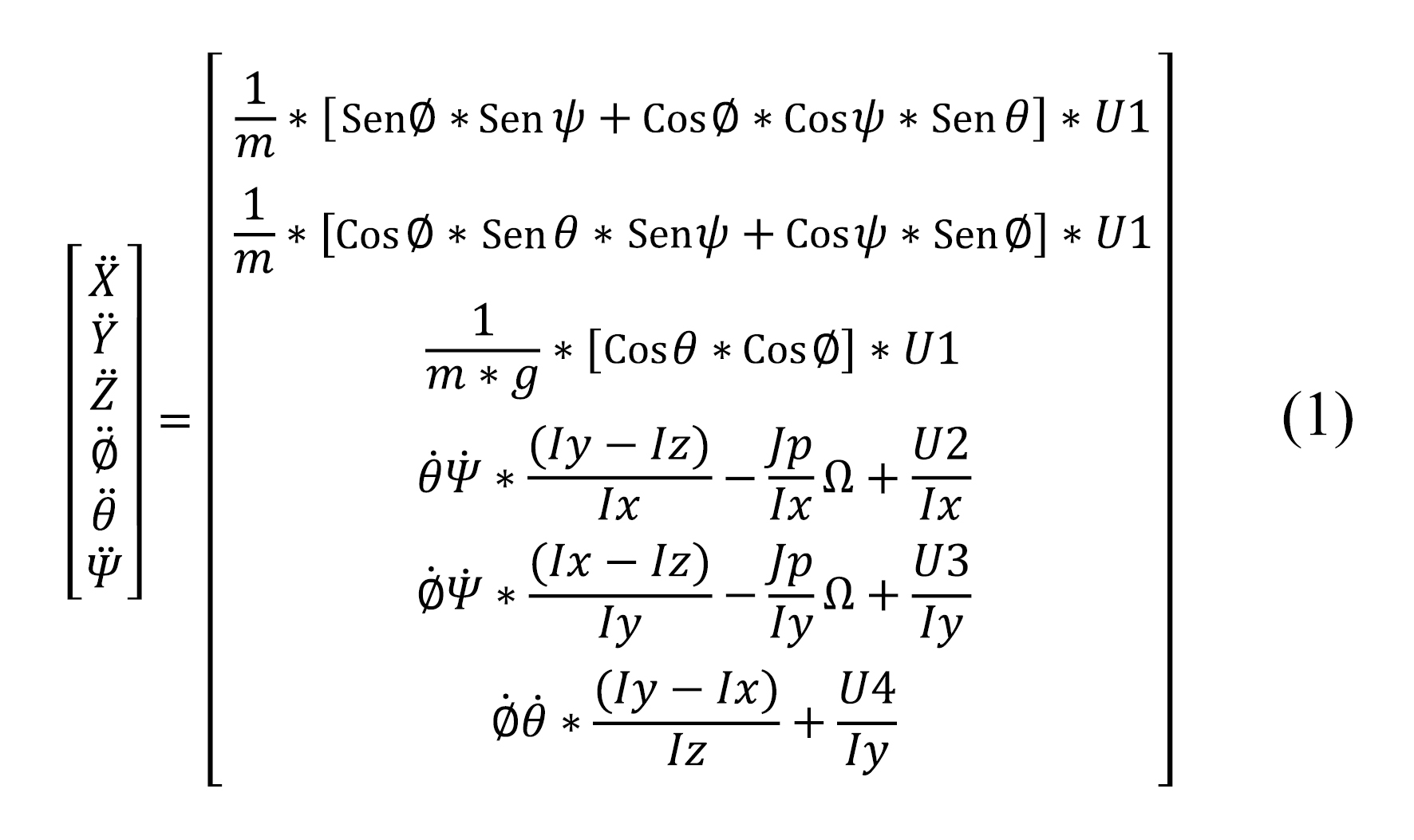
El modelo matemático del quadrotor ha sido demostrado en múltiples artículos. El modelo dinámico utilizado está basado en ecuaciones de Euler-Lagrange y ecuaciones de Newton Euler para llegar a un modelo de representación de variables de estado [9], [10], [11]. Ciertas restricciones como las velocidades de giro respecto al marco de la tierra y las velocidades angulare­s respecto al marco del cuerpo son aproximadamente iguales para ángulos que estén entre –π/6  y π/6, las cuales permiten realizar una aproximación lineal del modelo matemático. En la ecuació­n (1) se presenta el modelo en representación de variables de estado.

Cada una de las variables se describen a continuación en (2)-(6)

m: Masa del quadrotor.

g: Fuerza gravitacional.

I: Inercia de cada eje.

La dinámica de los cuatro motores esta definido por (3)-(6):

W: Velocidad angular de la hélice.

B. Validación del Modelo

Para realizar la validación del modelo se utilizó un banco de pruebas Fig. 4, en el cual se validó el modelo matemático presentado mediante simulación utilizando el software Matlab y su toolbox Simulink. Se validó la respuesta de los tres ejes observando la respuesta de los tres ángulos Roll (ϕ) Pitch (θ) y Yaw (ψ) en lazo abierto. Para realizar la captura de los datos a la tarjeta de desarrollo, se agrego un módulo bluetooth para la transmisión de los datos utilizando el protocolo serial. Los datos fueron recibidos en una computadora y guardados en un archivo con extensión “.csv”; en el caso de la simulación, los datos fueron exportados al workspace de Matlab y desde allí exportados a un archivo con la extensión “.xls”.

Fig. 4. Bancos de pruebas.
Fuente: Autores.

Para el caso de los ángulos Pitch y Roll por simetría se validó el modelo mediante la aplicación de un impulso en los motores, y para generar el movimiento de la planta se programó la señal del PWM de 1% a 75% de la velocidad máxima del motor y el otro a un 25% de ésta. Se realizó una prueba t para dos muestras suponiendo varianzas iguales de dos variables: los datos simulados y los datos reales. Como resultado de la prueba se observa que no existen diferencias significativas ya que el valor p es mayor a 0.05. Los resultados se muestran en la Tabla 1.

Tabla 1.
Prueba t para dos muestras suponiendo varianzas iguales.

Variable 1

Variable 2

Media

–23.950

–24.107

Varianza

541.281

514.941

Observaciones

30

30

Grados de libertad

58

58

Estadístico t

0.0264

P(T< = t) dos colas

0.979026242

Valor crítico de t (dos colas)

2.001717484

Fuente:Autores.

De esta manera, se tomaron los datos arrojados por la planta física y se realizaron las simulaciones en Simulink con las mismas condiciones iniciales. En la Fig. 5 se muestran los resultados de la implementación de manera gráfica.

Fig. 5. Respuesta en lazo abierto del sistema físico y simulado con velocidad del motor 2% al 75% de su velocidad y motor 4% al 25% de su velocidad.
Fuente: Autores.

Para el caso del ángulo YAW se validó el modelo mediante la aplicación de un impulso en el par de motores (M2M4) y (M2M3 ). Para generar el movimiento de la planta se programó la señal del PWM de un par de motores al 50% de la velocidad máxima de estos y el otro par de motores a un 15% de la velocidad máxima, obteniendo los mismos resultados satisfactorios de los ángulos Pitch y Roll.

III. Control por Realimentación de Estados

El modelo encontrado en (1) se puede aproximar a un modelo lineal asumiendo las siguientes condiciones:

El sistema para controlar estará definido por (7):

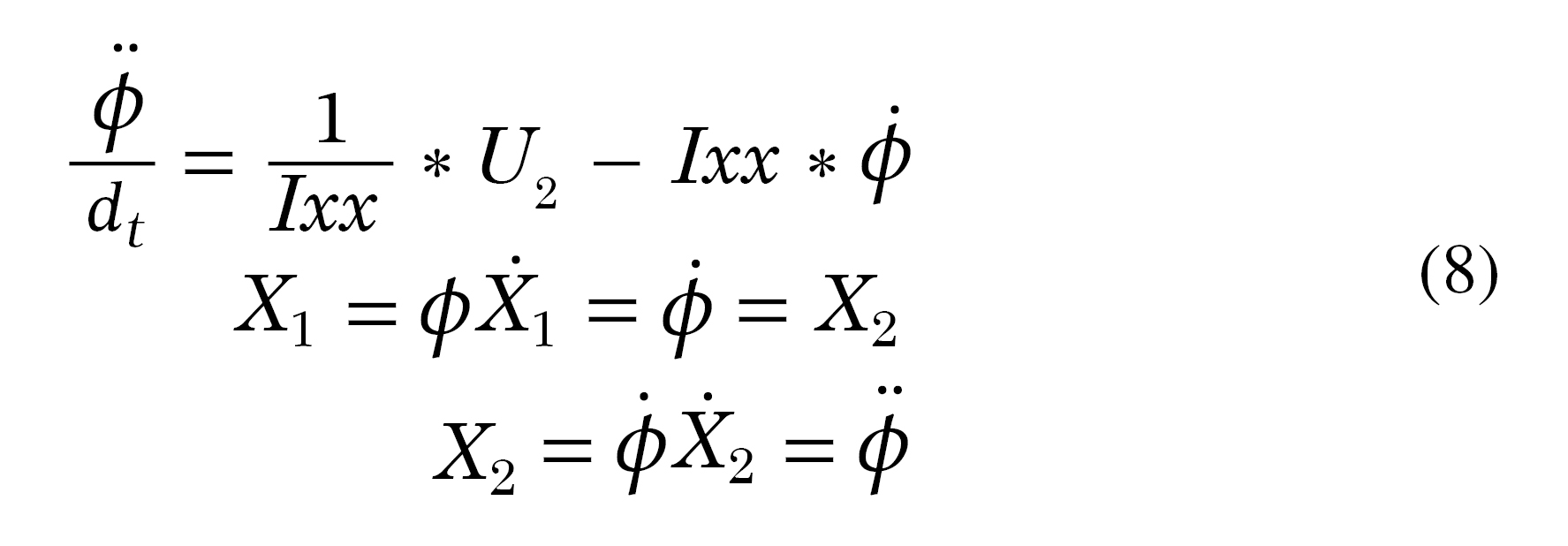
Debido a la simetría del quadrotor y la uniformidad en su estructura se asumen las mismas ganancias para los ángulos Pitch y Roll. Las variables de estado para estos ángulos están definidas por (8):

Para eliminar el error de estado estacionario, fue necesario agregar un término integral; para esto, el ángulo Roll se definió como (9):

A partir del determinante de (10) se llegó a la conclusión que el sistema planteado es completamente controlable, siendo éste un sistema en el que se pueden aplicar distintas estrategias de control lineal.

Determinante = –1.7815e4 y Rango = 3.

Para el ángulo Yaw:

Determinante –2.2268e4 y Rango = 3.

De la ecuación (10) y (11) se puede decir que los sistemas para cada uno de los ejes son completamente controlables.

Para el cálculo se seleccionó un índice de amortiguamiento ϵ de 0.7 y se escogieron los polos una década alejados del eje imaginario con el fin de ubicar los polos del sistema en una región en donde se limite el sobre pico máximo, el tiempo de elevación y el tiempo de establecimiento de este.

Para los ángulos Pitch y Roll (12):

Para el ángulo Yaw (13):

El quadrotor cuenta con un sensor IMU que arroja la medición de las seis variables de estado del quadrotor. En este caso, las dos variables a medir serán la posición y la velocidad del ángulo en cada eje del quadrotor.

En la ecuación (14), F es el vector de ganancias de realimentación que ponderan cada una de las variables de estado. Calculando las ganancias de realimentación mediante la función Acker en Matlab y a partir del diseño de polos deseados se obtiene (15):

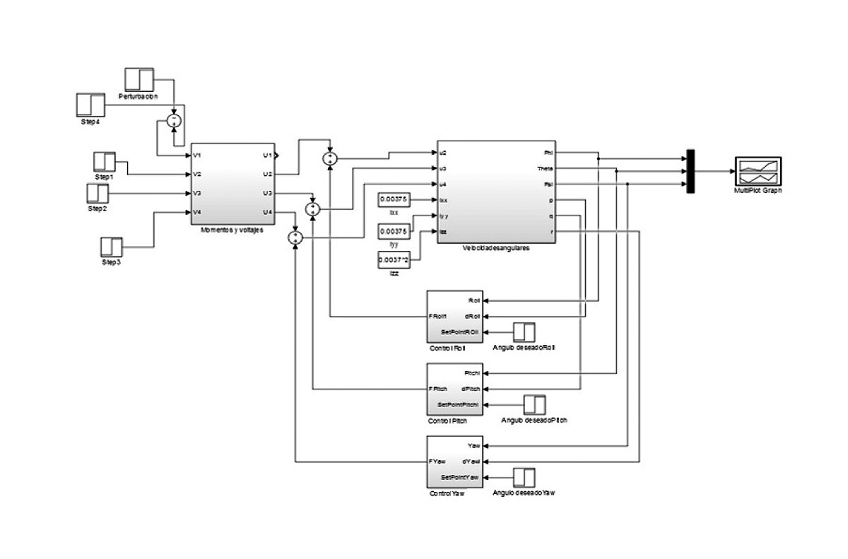
De esta manera, se realiza la implementación en Simulink y los resultados obtenidos para los ángulos Roll, Pitchy Yaw se muestran Fig. 6 y Fig. 7.

Fig. 6. Implementación controladores por realimentación de estado (Roll, Pitch y YAW) en Simulink.
Fuente: Autores.
Fig. 7. Implementación controladores por realimentación de estado (Roll, Pitch y YAW) en Simulink. Tiempo en segundos y ángulo en grados.
Fuente: Autores.

En la Fig. 7 se observa que el controlador por realimentación de estados es un diseño no apropiado para este sistema, ya que se busca una respuesta sin sobre picos demasiado altos, sobre todo en la respuesta transitoria del sistema.

IV. Control por realimentación de estado basado en LMIS incluyendo Incertidumbres Paramétricas

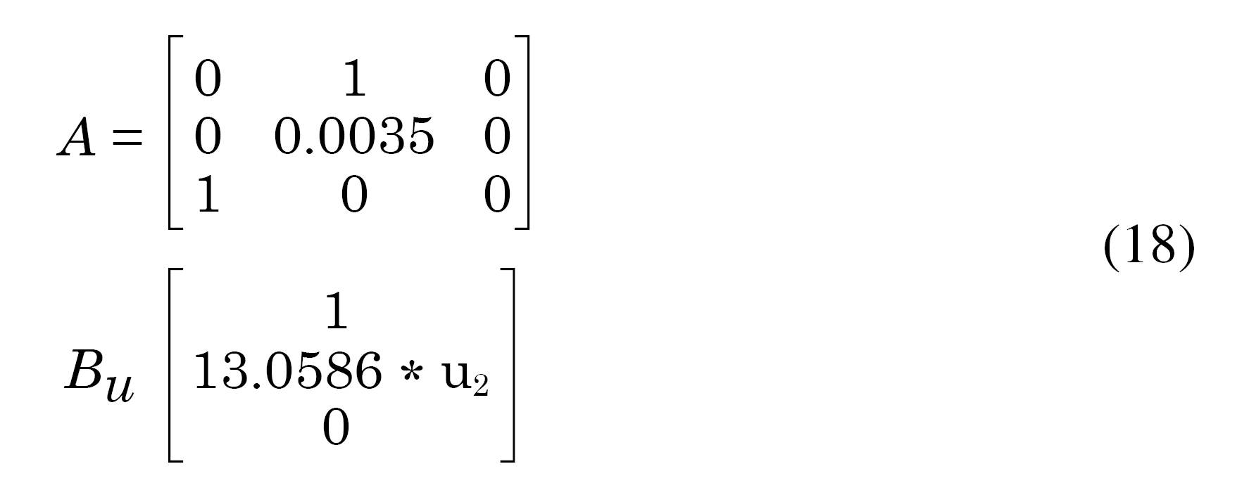
El control LMI basa su teoría en incluir restricciones teniendo en cuenta la norma H∞, la entrada de control, la ubicación de polos, incertidumbres y perturbaciones dentro del modelo matemático. Se tuvieron en cuenta incertidumbres encontradas en la entrada del sistema [12], estas restricciones se implementaron y calcularon utilizando el toolbox yalmip del sofware Matlab [13] con el fin de que el punto de operación del quadrotor pueda estar representado por un modelo politópico; es decir, el controlador trabajará en un área delimitada por rangos de las incertidumbres p1 y p2 (16).

Para el ángulo de Roll y Pitch se tiene (17):

Donde pi estará variando entre cuatro valores que formarán un sistema politópico (18).

Donde pi estará variando entre cuatro valores que forman un sistema politópico para cada uno de los ejes de rotación y, p1 y p2 representan la variación en el ciclo de trabajo en los motores del quadrotor y están definidos entre los valores de (19):

Los resultados y ganancias halladas para el controlador LMI incluyendo incertidumbres y paramétricas se encuentran en (20) y (21) .

De esta manera, se realiza la implementación en Simulink y los resultados obtenidos para los ángulos Roll, Pitch y Yaw se muestran Fig. 8.

Fig. 8. Respuesta al controlador por realimentación de estados basado en LMIs incluyendo incertidumbres paramétricas. Tiempo en segundos y ángulo en grados.

Fuente: Autores.

En la anterior figura se puede observar que incluir las incertidumbres planteadas en el controlador LMI, hace comportar al sistema de una manera más eficiente frente a perturbaciones a la entrada. El valor de las ganancias puede ser implementado fácilmente en un sistema embebido de desarrollo.

A. Implementación del Controlador LMI´s por Retroalimentación de Estados incluyendo incertidumbres paramétricas

Para la implementación del controlador en el quadrotor se utilizó la tarjeta Multiwii and Megapirate AIO Flight Controller, la cual está diseñada para volar este tipo de vehículos aéreos no tripulados, ya que incluye sensores como acelerómetro y giroscopio e incluye un microcontrolador Atmega 2560 que se programa mediante la plataforma de desarrollo.

Se diseña el controlador a partir de la multiplicación de las variables de estado por las ganancias calculadas y se halla una ganancia de realimentación total que realimentará el sistema por cada eje. Por ejemplo, las ecuaciones que describen el controlador implementadas en el microcontrolador para el caso del eje Roll son (22):

Donde UT es la señal total de control.

V. Resultados

El asumir las condiciones descritas en la sección III, ayudan a obtener un modelo lineal del quadrotor lo que facilita la implementación de estrategias de control clásicas y robustas. La des­ventaja de utilizar estas condiciones puede conllevar a que, si el quadrotor en algún momento sale de sus puntos de operación, reaccione de manera descontrolada. Sin embargo, en este trabajo, cuyo propósito era mantener el quadrotor en estado hovering, la estrategia de control robusto basado en LMI´s presentó buenos resultados.

Los datos experimentales son la herramienta con la cual se comparan las dos estrategias de control planteadas en esta investigación. Si bien es conocido que la simulación da un acercamiento al comportamiento real del sistema y que con esta se pueden diseñar estrategias de control, se observa que en la práctica influyen parámetros externos al sistema.

Fig. 9. Resultados de implementación física de controlador LMI Ángulo Roll ϕ.
Fuente: Autores.
Fig. 10. Resultados de implementación física de controlador LMI Ángulo Yaw ψ.
Fuente: Autores.

Se puede observar en los resultados anteriores (Fig. 9 y Fig. 10) que los controladores son estables frente a perturbaciones externas y a perturbaciones dadas por el ambiente. Para el caso de los ángulos Pitch y Roll, el set point fue ajustado en 0 grados, y para el caso del ángulo Yaw, el set point fue ajustado en 100 grados. Se puede observar que el controlador presenta tiempos de respuesta cortos y mantiene un punto de equilibrio entre –2 y 2 grados de cada eje, permitiendo estabilizar el quadrotor en cada ángulo de rotación.

Se puede destacar la estrategia de control basada en LMI´s como una estrategia de control para automatizar el estado en hovering en vehículos aéreos no tripulados tipo quadrotor, lo cual se demuestra en los resultados presentados. En trabajos futuros, se pueden llegar a implementar estas dos estrategias de control en quadrotores o vehículos aéreos con mayor cantidad de rotores o de mayor tamaño, ya que su tiempo de respuesta será más lento por el peso de su estructura. Se demuestra en este trabajo que el control por realimentación de estados, utilizando el modelo matemático aproximado, puede generar respuestas aceptables para este tipo de vehículos con un mayor peso; sin embargo, el control basado en LMI´s presenta otras ventajas como tiempo de respuesta y corrección del error de estado estacionario durante un tiempo prolongado.

De igual manera, se pretende utilizar una técnica de control difuso con el fin de no establecer puntos de operación sino una región de operación, en donde el sistema se comporte de una manera estable. Otra ventaja que representaría este tipo de estrategias es que se tendría en cuenta el modelo no lineal para el diseño del controlador y de esta manera, optimizar el proceso de control basado en LMIs [14] e implementar un modelo y controlador para el desplazamiento del quadrotor [15].

VI. Conclusiones

El modelo matemático descrito en este artículo es una herramienta útil con la que se pueden implementar diversas estrategias de control, ya que este tipo de vehículos quadrotores se caracterizan por tener un modelo no lineal; lo que conlleva realizar una serie de aproximaciones validas para este tipo de sistemas con el fin de obtener un modelo linealizado y de esta manera implementar técnicas de control clásico y robustas.

El controlador por realimentación de estados se diseñó teniendo en cuenta las pruebas de controlabilidad y observabilidad del sistema. Asimismo, se tuvo en cuenta corregir el error de estado estacionario agregando un elemento integral, y para obtener un índice de amortiguamiento ϵ de 0.7 se ubicaron los polos una década después del eje imaginario con el fin de limitar el sobre pico máximo, el tiempo de respuesta y de establecimiento. Sin embargo, el controlador entregó respuestas de sobre picos demasiado altos para ser implementados en planta seleccionada en este trabajo.

El controlador basado en LMIs presenta varias ventajas frente al controlador por realimentación de estados, ya que permite incluir varios criterios de diseño de controladores como lo son: la entrada de control, la ubicación de polos, la definición de la norma H infinito, incertidumbres y perturbaciones. El controlador basado en LMIs puede mejorar el comportamiento incluyendo incertidumbres estructuradas, ya que estas se presentan como alternativas para incluir dentro del sistema de parámetros externos o no incluidos dentro del modelo matemático. Al momento de implementar el controlador basado en LMI en simulación y en el modelo real del quadrotor se encontró cómo las incertidumbres planteadas dentro del modelo hacen comportar al sistema de una manera eficiente frente a perturbaciones a la entrada y tiempos de respuesta.

Referencias

[1] L. L. Gomes, L. P. Leal, T. R. Oliveira, J. P. V. S. Cunha & T. C. Revoredo, “Unmanned Quadcopter Control Using a Motion Capture System,” IEEE Lat Am Trans, vol. 14, no. 8, pp. 36063613, Aug. 2016. https://doi.org/10.1109/TLA.2016.7786340

[2] V. M. Becerra, “Autonomous Control of Unmanned Aerial Vehicles,” ELEC, vol. 8, no. 4, pp. 15, Apr. 2019. https://doi.org/10.3390/electronics8040452

[3] B. J. Emran & H. Najjaran, “A review of quadrotor: An underactuated mechanical system,” Annu Rev Control, vol. 46, pp. 165180. Oct. 2018. https://doi.org/10.1016/j.arcontrol.2018.10.009

[4] G. Farid, H. Mo, S. M. Ali & Q. Liwei, “A review on linear and nonlinear control techniques for position and attitude control of a quadrotor,” Control Intell Syst, vol. 45, no. 1, pp. 4357, Feb. 2017. https://doi.org/10.2316/Journal.201.2017.1.201-2819

[5] A. Zulu & S. John, “A Review of Control Algorithms for Autonomous Quadrotors,” Open J Appl Sci, vol. 4, no. 14, pp. 547556, Dec. 2014. https://doi.org/10.4236/ojapps.2014.414053

[6] B. Lara, E. Fagua, J. Salamanca & O. Higuera, “Design and implementation of control system for unmanned aerial vehicle quadrotor,” Tecnura, vol. 21, no. 53, pp. 3246, Sep. 2017. https://doi.org/10.14483/22487638.10256

[7] “The Top 100 Drone Companies to Watch in 2022.” UAV Coach. Jun 14, 2022. [Online]. Available: https://uavcoach.com/drone-companies/

[8] “Turnigy Micro Quad V3 P & P ARF Incluye Junta de Control de Vuelo LCD KK2.1.” HobbyKing. Sep 17, 2022. [Online]. Available: https://hobbyking.com/es_es/turnigy-micro-quad-v3-p-p-arf-includes-kk2-1-lcd-flight-control-board.html?___store=es_es

[9] G. V. Raffo & M. M. de Almeida, “Nonlinear robust control of a quadrotor UAV for load transportation with swing improvement,” presented at the 2016 American Control Conference, ACC, BSN, MA, USA, 6-8 Jul. 2016. https://doi.org/10.1109/ACC.2016.7525403

[10] J. Li, R. Li & H. Zheng, “Quadrotor modeling and control based on Linear Active Disturbance Rejection Control,” presented at the 35th Chinese Control Conference, CCC, CTU, CN, 27-29 Jul. 2016. https://doi.org/10.1109/ChiCC.2016.7555045

[11] C. A. Torres-Pinzon, R. Giral & R. Leyva, “LMI-Based Robust Controllers for DC-DC Cascade Boost Converters,” J Power Electron, vol. 12, no. 4, pp. 538547, Jul. 2012. https://doi.org/10.6113/JPE.2012.12.4.538

[12] J. Rubio, J. Perez-Cruz, Z. Zamudio & J. Salinas, “Comparison of two quadrotor dynamic models,” IEEE Lat Am Trans, vol. 12, no. 4, pp. 531537, Jun. 2014. https://doi.org/10.1109/TLA.2014.6868851

[13] J. Lofberg, “YALMIP: a toolbox for modeling and optimization in MATLAB,” presented at the International Conference on Robotics and Automation, IEEE, NOLA, LA, USA, 2-4 Sep. 2004. https://doi.org/10.1109/CACSD.2004.1393890

[14] S. Gomáriz y F. Guinjoan, “Diseño de un controlador difuso supervisor para la regulación de un convertidor conmutado elevador,” Rev Ing, no. 28, pp. 3850, Nov. 2008. https://doi.org/10.16924/revinge.28.6

[15] J. Kim, S. A. Gadsden & S. A. Wilkerson, “A Comprehensive Survey of Control Strategies for Autonomous Quadrotors,” Can J Electr Comput Eng, vol. 43, no. 1, pp. 3–16, May. 2020. https://doi.org/10.1109/CJECE.2019.2920938

Jefferson Sarmiento-Rojas. Universidad del Rosario. Bogotá, D.C. (Colombia). https://orcid.org/0000-0001-5771-6032