.

Santos Durán, Díaz Durán & Benjumea Royero / INGE CUC, vol. 18 no. 1, pp. 65Enero – Junio, 2022

Comparación de la respuesta estructural de un puente viga cajón de voladizos sucesivos durante construcción y en servicio en tres escenarios de humedad relativa de Colombia

Comparison of the structural response of a box girder bridge with successive cantilevers during construction and in service in three scenarios of relative humidity in Colombia

DOI: http://doi.org/10.17981/ingecuc.18.1.2022.05

Artículo de Investigación Científica. Fecha de Recepción: 05/29/2020. Fecha de Aceptación: 05/25/2021.

Cesar Mauricio Santos Durán orcid_24x24

Universidad Industrial del Santander. Bucaramanga (Colombia)

cesar.santos.duran@gmail.com

Edgar Fabián Díaz Durán orcid_24x24

Universidad Industrial del Santander. Bucaramanga (Colombia)

edgardiaz1119@gmail.com

Jose Miguel Benjumea Royero orcid_24x24

Universidad Industrial del Santander. Bucaramanga (Colombia)

josbenro@uis.edu.co

Para citar este artículo:

C. Santos Durán, E. Díaz Durán & J. Benjumea Royero, “Comparación de la respuesta estructural de un puente viga cajón de voladizos sucesivos durante construcción y en servicio en tres escenarios de humedad relativa de Colombia”, INGE CUC, vol. 18, no. 1, pp. –65, 2022. DOI: http://doi.org/10.17981/ingecuc.18.1.2022.05

Resumen

Introducción— La construcción de los puentes viga cajón se ha incrementado en años recientes en Colombia. Algunos estudios previos para estos puentes han mostrado que la omisión en el análisis estructural del proceso constructivo, las propiedades reológicas de los materiales y las condiciones medioambientales pueden generar efectos significativos en los resultados. Debido a la variedad climática en los diferentes territorios de Colombia, resulta interesante determinar el efecto de estas condiciones en la respuesta estructural del puente.

Objetivo— En específico, se busca determinar la variación en la respuesta estructural de los principales elementos de un puente viga cajón postensado, durante construcción y en servicio, debido a los cambios en la humedad relativa del ambiente.

Metodología— Se desarrolló un modelo computacional de un puente representativo de Colombia usando el software Midas Civil. El modelo incluye los efectos dependientes del tiempo en los materiales.Se emplearon tres valores diferentes de humedad relativa (extremo alto, valor mediana y extremo bajo) en los análisis.

Resultados— Se determinó la variación en el momento flector, cortante, carga axial y deflexiones verticales de la viga del puente y en el momento flector de la pila, al modificar el escenario de la humedad relativa.

Conclusiones— Se evidencia variación despreciable en la respuesta del puente durante el proceso constructivo. Por el contrario, en el estado de servicio ocurrieron cambios significativos en algunos valores de los elementos estructurales, en especial en la viga, debido al cambio en la humedad relativa.

Palabras clave— Humedad relativa; etapa constructiva; voladizo sucesivos; puente viga cajón; flujo plástico; retracción

Abstract

Introduction— The construction of box girder bridges has increased in recent years in Colombia. Some previous studies have shown the significant effects in the results due to omission of the construction process, the rheological properties of the materials, and the environmental conditions can generate significant effects on the results. Due to the variety in the different territories of Colombia, it is interesting to determine the effect of these conditions on the structural response of the bridge.

Objective— The main goal of the study is to quantify the variations in the structural response of the main elements of a post–tensioned box girder bridge, during construction and in service, due to changes of the relative humidity of the environment.

Method— A computational model of a representative Colombia bridge studied was developed in the software Midas Civil. The model includes the time–dependent effects of the materials. Three different (extreme high, medium, and extreme low) values of relative humidity were used in the analysis.

Results— The variation in the longitudinal bending moment, shear and axial forces, and the deflection of the girder, and those of the columns bending moment were calculated by varying the relative humidity of the environment.

Conclusions— Negligible variations in the structural response of the bridge elements during construction after modifying the relative humidity. On the other hand, some elements (especially the girder) responses showed sensibility and considerable changes due to modification of the environment parameter.

Keywords— Relative Humidity; Construction Stage; Balanced cantilever; Box Girder Bridge; Creep; Shrinkage

I. Introducción

Los puentes viga cajón se han implementado desde la tercera década del siglo XX, siendo B­aumgart, con el puente sobre el río Peixe en Brasil, el primero en diseñar y construir un puente de esta tipología [1]. La primera generación de estos puentes (construidos entre 1953 y 1954) presentaron problemas de deflexiones, llegando a ser necesaria la demolición de algunos ejemplares. Esto condujo al desarrollo de la segunda generación (1965–1975), etapa en la que el inconveniente de las deformaciones excesivas fue solucionado al unir monolíticamente las estructuras de los voladizos. Finalmente, los puentes de tercera generación (a partir de 1975) incluyen en su diseño los efectos dependientes del tiempo, acciones térmicas y posibles efectos accidentales durante construcción [2], lo cual resulta en estructuras más seguras en comparación con las de las primeras generaciones. En Colombia, estos puentes son usados como solución en proyectos de infraestructura para salvar obstáculos naturales o artificiales con luces entre 80 m y 200 m [2], [3]. Además, su construcción se hace generalmente usando el método de voladizos sucesivos con vigas fundidas in situ.

Como lo han demostrado estudios de la KTU [4], el análisis de los puentes viga cajón construidos por voladizos sucesivos, asumiendo que se construyen en una sola etapa, conduce a resultados poco confiables, puesto que el modelo computacional no captura la evolución de esfuerzos en los elementos durante construcción y en las etapas posteriores. Según investigadores de el BEG [5], los efectos dependientes del tiempo deben incluirse en las estructuras de concreto puesto que fenómenos como el flujo plástico (creep), la retracción (shrinkage) y el envejecimiento del concreto (ageing) pueden afectar la respuesta del puente. Estos efectos tienden a evolucionar de forma significativa en el periodo de servicio del puente, lo cual ha sido corroborado por diversos autores mediante estudios experimentales y analíticos [6]-[8]. La importancia de incluir tales efectos quedó demostrada en el caso del puente Koror-Babeldaob en Palau, cuyo colapso en 1996 fue atribuido a la subestimación de los efectos debido al flujo plástico y la retracción del concreto como resultado del uso de modelos constitutivos poco confiables [9], [10]. En Colombia, la investigación reciente desarrollada por la UDES, la UAN y la UDEA [11] donde algunos puentes de voladizos sucesivos y viga cajón presentan deformaciones mayores a las esperadas; sin embargo, la causal de esta respuesta no está claramente definida aún. Los efectos en las estructuras de concretos asociados al flujo plástico y la retracción, que resultan en cambios volumétricos, ponen de manifiesto una desventaja de este material. La variabilidad de estos fenómenos es fuertemente influenciada por factores como el tipo de cemento y la humedad relativa del ambiente, entre otros [12].

La información existente acerca de los puentes de viga cajón construidos por voladizos sucesivos permite concluir que hay un conocimiento relativamente maduro del comportamiento de estas estructuras frente a múltiples cargas. Sin embargo, en la literatura no se detectaron estudios en donde se compare sistemáticamente la respuesta de los elementos primarios del puente, durante construcción y en servicio, ante diferentes escenarios de Humedad Relativa del ambiente (HR) [13]. El estudio cobra relevancia puesto que se hace necesario determinar qué valores de HR podrían generar en el puente mayores afectaciones, considerando un escenario crítico en el que se analicen valores extremos máximo y mínimo ambiental, comparándolos con un valor de control (mediana a nivel nacional), y de esta forma identificar cuales son los elementos del puente que tendrían una mayor variación en su respuesta estructural. La comparación de la respuesta estructural del puente ante diferentes escenarios de humedad relativa del medio ambiente también permitirá determinar las posibles subestimaciones o sobreestimaciones en las fuerzas internas y deflexiones, tanto en edades tempranas de la estructura como a largo plazo, que puede generar la elección de un valor no adecuado de la humedad relativa.

Teniendo en cuenta lo anterior, en el presente trabajo se investigó el efecto de los escenarios de Humedad Relativa del ambiente (HR) en el comportamiento estructural de un puente viga cajón representativo de las prácticas de diseño y construcción en Colombia. En el estudio se examinó, mediante modelos computacionales, la respuesta de los principales elementos del puente al cambiar la humedad relativa del sitio en que se construye el puente. El modelo computacional incluye los efectos del flujo plástico y retracción del concreto, la relajación del acero y los efectos de segundo orden P–∆. La respuesta estructural del puente se analiza durante la construcción y desde el instante del cierre hasta el periodo en el que han ocurrido la totalidad de los efectos diferidos. La metodología del estudio, los principales resultados y las conclusiones se discuten en las siguientes secciones.

II. Metodología

Con el fin de lograr el objetivo de estudio, se analizó un puente prototipo representativo de las prácticas de diseño y construcción en Colombia. El puente fue seleccionado teniendo en cuenta las tendencias actuales de construcción en Colombia [3] y las características presentadas en trabajos previos en el tema [14]. Por otra parte, se analizaron las condiciones de humedad relativa en Colombia con el fin de establecer los escenarios medioambientales en que se construiría el puente. El efecto de la humedad relativa en la respuesta del puente se calculó usando un modelo computacional desarrollado en el software Midas Civil [15]. Dicho proceso se realizó para tres escenarios de humedad relativa del ambiente, manteniendo el resto de los parámetros y características constantes. A continuación, se detallan las características del puente, las etapas constructivas y las cargas, el modelo numérico y los escenarios de humedad relativa que fueron usados en el análisis.

A. Descripción del puente

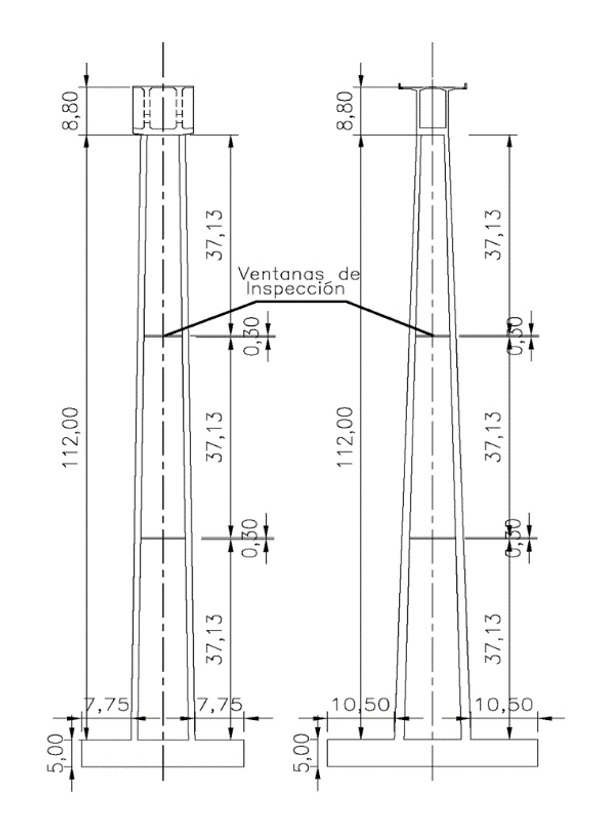
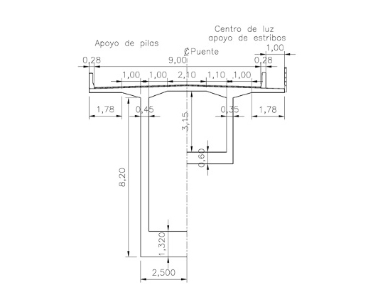
La Fig. 1 presenta las dimensiones de la viga del puente y la distribución del presfuerzo. La luz total del puente es 320 m, conformada por una luz central (L) de 160 m y dos vanos laterales de 80 m. La superestructura se materializa mediante dovelas de longitud y altura variable. La primera dovela se construye sobre la pila (llamada dovela cero en adelante) y tiene una longitud de 4.75 m a cada lado, seguida de dovelas con longitudes entre 2.75 m y 3.75 m y terminando con una longitud de 4.5 m en el vano central y en la zona de apoyo sobre estribos. La dovela de cierre tiene una longitud de 2.0 m y las dovelas diafragmas en los estribos tienen una longitud de 1.0 m. La viga cajón es unicelular, con espesores de losa inferior y de las paredes laterales variables en función de la posición a lo largo del puente (Fig. 2). La altura de la viga sobre las pilas es de 8.75 m (L/18.3), la cual se reduce a 3.95 m (L/40.5) en el centro de luz. Esta transición se hace mediante una función parabólica del trasdós de la viga. La superestructura se conecta rígidamente a las pilas, presentadas en la Fig. 3, y para efectos de modelado se asume apoyada sobre rodillos sin fricción en los extremos. Las pilas tienen una altura de 112 m, sección transversal rectangular variable en altura y se asumieron empotradas en la base para el modelo numérico.

Fig. 1. Vista longitudinal de la viga del puente y distribución de los cables de presfuerzo.
Fuente: Autores.
Fig. 2. Sección transversal de las dovelas cero (mitad izquierda) y de cierre (mitad derecha).
Fuente: Autores.
Fig. 3. Sección pilas (transversal lado izquierdo, longitudinal lado derecho).
Fuente: Autores.

B. Materiales

El concreto de los elementos del puente tiene una resistencia a la compresión (f´c) igual a 35 MPa, módulo de elasticidad a los 28 días (Ec28) de 28397 MPa (calculada según la ecuación C5.4.2.4–1 de la Norma de diseño de Puentes de Colombia CCP14 [16]), peso específico (γ) de 24 kN/m3 y coeficiente de Poisson igual (v) a 0.2. Los efectos de relajación y retracción del fraguado en el concreto se incluyeron en el modelo numérico del puente, considerando lo indicado en la sección 5.4.2.3.1 de la Norma CCP14 [16], la cual establece que al no contar con información de la mezcla específica, la retracción y el flujo plástico pueden evaluarse siguiendo una de las siguientes opciones: (i) ecuaciones simplificadas establecidas en las aproximadas de las secciones 5.4.2.3.2 y 5.4.2.3.3 del CCP14 [16], (ii) el código modelo CEB–FIP (CEB–FIP Model Code) [12], o, (iii) la guía ACI 209 para el modelado y cálculo del flujo plástico y retracción del concreto endurecido (Guide for Modeling and Calculating Shrinkage and Creep in Hardened Concrete) [24]. En el presente estudio se usó el código modelo CEB–FIP [12]. La variación del módulo de elasticidad del concreto debido al envejecimiento no fue incluida en los análisis. Se asumió que el concreto es de endurecimiento normal, lo que resulta en un coeficiente de retracción (βsc) igual a 8. El tamaño nominal de los elementos (h), requerido para determinar los coeficientes de flujo plástico y retracción en el modelo CEB-FIP, se calculó para cada dovela de forma individual. Este parámetro se define como la relación entre el área y perímetro de la sección transversal (Fig. 3).

Para el acero de presfuerzo se usó un esfuerzo último (fpu) de 1860 MPa, módulo de elasticidad (Eps) de 200 GPa, γ = 77.09 kN/m3 y v = 0.3. Las pérdidas en el presfuerzo por efectos de acortamiento elástico, fricción y curvatura se tuvieron en cuenta usando los siguientes parámetros: coeficiente de curvatura (k) igual a 0.0035 m–1, coeficiente de fricción (µ) igual a 0.25 y penetración de cuña igual a 0.006 m/m.

C. Acciones y límites de esfuerzo

Las cargas que fueron aplicadas al modelo computacional del puente durante construcción se muestran en la Tabla 2. Estas acciones se determinaron siguiendo la sección 5.14.2.3 de la Norma CCP14 [16], la cual se basa en las especificaciones de diseño de puentes AASHTO-LRFD del 2012 y 2014 [17], [18]. Las cargas durante la construcción fueron combinadas siguiendo la Tabla 5.14.2.3.3–1 del mismo documento [16]. Los esfuerzos admisibles en las fibras extremas del concreto a compresión y tensión durante construcción son 17.5 MPa (0.5f´c) y 3.42 MPa (0.63√f´ci), respectivamente. En el estado de servicio estos esfuerzos crecen a 21 MPa (0.6f´c) y 3 MPa (0.50√f´ci). Los cables de presfuerzo superior e inferior en el tablero fueron tensionados a 68% y 66% del esfuerzo último, respectivamente. Los esfuerzos en estos elementos durante construcción y servicio se limitaron a 1395 MPa (0.75fpu) y 1255 MPa (0.80fpu), respectivamente.

D. Análisis estructural

La respuesta estructural del puente, durante las fases de construcción y en estado de servicio, fue calculada usando un modelo computacional desarrollado en el software Midas Civil [15]. Con el fin de capturar los efectos reológicos del concreto y acero en el estado de servicio, combinados con las cargas permanentes y los efectos de segundo orden (efectos P–∆), el análisis del puente fue realizado usando un tiempo máximo de simulación posterior a la construcción de la dovela de cierre del puente igual a 30 años. Este tiempo fue determinado como aquel a partir del cual las variaciones debidas a los efectos diferidos en el tiempo fuesen menores al 1%. En el análisis se incluyeron varias etapas representativas de la construcción del puente [19]. La primera consiste en la construcción de las pilas y la dovela cero (Fig. 4a), cuyos tiempos de construcción se asumieron en 100 y 30 días, respectivamente. Estas etapas son relativamente largas debido a las características especiales de los elementos. Una vez el concreto ha alcanzado una resistencia suficiente (3 días después del vaciado), se ensamblan los carros de avance encima de la dovela uno. En adelante, se inicia el ciclo estándar de construcción simétrica de las dovelas a partir de las pilas hasta llegar a la dovela de cierre (Fig. 4b). La duración y actividades del ciclo estándar se detallan en la Tabla 1. Posteriormente, se construyen las dovelas tipo diafragma sobre los apoyos en los estribos (10 días), se funde la dovela de cierre en el centro de luz (Fig. 4c) y se desmonta el carro de avance y otros elementos de construcción. El presfuerzo se activa en cada una de las etapas según la configuración presentada en la Fig. 1.

Fig. 4. Esquema proceso constructivo.
Fuente: Autores.
Tabla 1.
Tiempos de construcción.

Duración

Actividades

1 día

Postensado de los tendones del segmento anterior.

Desmonte del carro de avance.

Avance del carro.

2 días

Colocación del refuerzo, ductos y tendones.

1 día

fundida de la dovela en cada zona.

3 días

curado del concreto.

Fuente: Autores.
Tabla 2.
Cargas usadas durante construcción.

Carga

Descripción

Muerta

DC

Peso propio de los elementos.

DIFF

Carga diferencial aplicada en el voladizo central (2% del peso de cada dovela).

WEC

Carga del concreto húmedo (variable).

Viva

CLL

Carga viva de construcción (5 kN/m en vano central y 2.5 kN/m en vanos laterales).

FT

Carga del carro de avance (500 kN).

Otras

CR

Creep.

SH

Shrinkage.

PE

Presfuerzo del tablero.

WUP

Fuerza del viento (2.5 kN/m).

Fuente: Autores.

E. Variación de la humedad relativa

Con el fin de comparar el comportamiento del puente durante construcción y en servicio bajo diferentes valores de la Humedad Relativa del medio ambiente (HR), el parámetro HR fue modificado mientras el resto de las características de la estructura se mantuvieron constantes. Para esto se usaron tres escenarios de humedad relativa, los cuales se basaron en estudios realizados por el IDEAM [20]-[21]. En dicho estudio se proyectó el comportamiento de la humedad relativa para varias zonas de Colombia entre el año 2011 y el 2100, divididos en múltiples intervalos, de los cuales se escogió el intervalo entre el 2011 y el 2040 para el presente trabajo. Los valores de HR que fueron seleccionados corresponden al valor máximo, mínimo y la mediana establecido s para el intervalo de referencia. A partir de esta selección se determinó que estos tres valores se ubican geográficamente en los departamentos de Chocó, La Guajira y Santander, respectivamente, cuyas humedades relativas para el periodo seleccionado corresponden a HR máxima (HRa = 87.1%), HR mínima (HRb = 71.4%) y HR mediana (HRm = 79.7%), respectivamente.

Para determinar el efecto de HR en la respuesta del puente se calcularon los coeficientes α(1) y β(2), los cuales comparan los resultados obtenidos con el valor de HR mediana (HRm) versus los calculados con la humedad relativa baja (HRb) y alta (HRa), respectivamente. En esas ecuaciones, el término S es la respuesta estructural que se analiza, las cuales consistieron en el momento flector, el cortante, el axial y las deflexiones en la superestructura, la fuerza axial en los cables de presfuerzo, y el momento flector en las pilas. Es importante aclarar que los resultados obtenidos corresponden a una condición del puente en la que no se aplicó la contraflecha en el análisis, con lo cual se busca identificar bajo qué condición de HR se hace necesario incrementar la contraflecha en el puente con el fin de disminuir la deflexión resultante del proceso constructivo y los efectos diferidos en el tiempo.

III. Resultados

En la primera parte de esta sección se discuten los resultados obtenidos para la zona con HRm = 79.7%. Estos resultados serán usados como base para comparar el comportamiento de los elementos del puente al modificar el valor de humedad relativa desde HRm hasta HRb o HRa, lo cual se discute en la segunda parte de esta sección.

A. Resultados para Escenario HR = 79.7%

1) Comportamiento de la viga 

La evolución del diagrama de momento flector en la superestructura del puente durante construcción se presenta en la Fig. 5. Cada etapa mostrada en dicha figura representa un avance aproximado de una cuarta parte de la ejecución de la superestructura hasta el cierre. Durante las etapas iniciales (etapa 6 y etapa 12), los momentos resultantes en la viga son positivos, es decir, causan esfuerzos de tracción en la fibra inferior. Esto se debe a que el presfuerzo, que es excéntrico respecto al eje neutro de la viga, genera momentos flectores positivos de magnitud superior a los momentos negativos por las cargas muertas y las de construcción. La transición de momentos positivos a negativos sobre la dovela cero ocurre en la etapa 17, etapa en la que se agregan las dovelas #18 mostradas en la Fig. 1. Estos momentos incrementan a medida que se agregan el resto de las dovelas, llegando a estar toda la superestructura bajo la acción de momentos negativos una vez se cierra el puente (Fig. 5).

Fig. 5. Variación del momento longitudinal en la superestructura.
Fuente: Autores.

El momento flector en la viga para la etapa de servicio (30 años después del cierre) también se muestra en la Fig. 5. Como se observa allí, desde el cierre de construcción y hasta el estado de servicio, los momentos flectores en el centro de luz y en los vanos laterales se hicieron más positivos (descendieron), mientras que en la zona de apoyo sobre las pilas los momentos negativos aumentaron. Esta respuesta es típica en este tipo de puentes y es causada principalmente por la combinación de los efectos de flujo plástico y retracción del concreto, indicando que el modelo computacional captura las tendencias globales generadas por los efectos diferidos en el tiempo.

La variación de la fuerza axial y el cortante vertical a medida que avanzan las etapas constructivas se presentan en la Fig. 6 y Fig. 7, respectivamente. En estas figuras se presenta la respuesta para medio puente debido a la simetría del puente respecto al centro de luz. De las figuras se observa que la magnitud del axial y el cortante incrementan a medida que las etapas constructivas avanzan, llegando a su máximo valor en la etapa de cierre. Luego de esta etapa los valores disminuyen en el orden del 6% durante las etapas posteriores.

Fig. 6. Variación de la fuerza axial en la superestructura.
Fuente: Autores.
Fig. 7. Variación de cortante en la superestructura.
Fuente: Autores.

La Fig. 8 muestra la deflexión vertical de la superestructura durante algunas etapas constructivas y en servicio. Los cambios bruscos en las abscisas 75 m a 85 m y 235 m a 245 m se deben principalmente a la elevada rigidez a flexión de las dovelas cero y a la acción del presfuerzo superior. Como era de esperarse, la deflexión máxima incrementa paulatinamente durante construcción a medida que la longitud del voladizo aumenta, teniéndose una deflexión máxima en el vano central de 0.19 m en el cierre (etapa 24). Una vez se funden las dovelas diafragma en los estribos y la de cierre, se produce un ascenso de la deflexión en centro de luz como resultado de la redistribución de fuerzas internas generadas por el cambio en el esquema estructural de un sistema tipo péndulo invertido a un esquema tipo pórtico hiperestático. Se debe notar que la deflexión es asimétrica en etapas tempranas de la construcción debido a la aplicación asimétrica de cargas de construcción en cada uno de los vanos centrales de cada voladizo, lo cual es establecido en las especificaciones de diseño AASHTO-LRFD [17]-[18]. Después del cierre, la deflexión vertical negativa incrementa debido a los efectos reológicos en el concreto y acero de presfuerzo. La deflexión máxima en el vano central y en los laterales en t = 30 años es 0.27 m y 0.08 m, respectivamente, las cuales corresponden a un incremento del 43.9% y 2.4% respecto de la deflexión al final de la construcción del puente. El incremento considerable de esta respuesta con el paso del tiempo ha sido reportado para esta tipología de puentes, efecto que es contrarrestado mediante la aplicación de contraflechas [22].

Fig. 8. Evolución de las deflexiones en el tablero.
Fuente: Autores.

2) Comportamiento del presfuerzo

En la Fig. 9 se presenta la variación del esfuerzo axial promedio en el grupo de cables superiores de la mitad izquierda del tablero (cables 1 al 70 en la Fig. 1). El lector debe notar que la longitud de las curvas mostradas en la Fig. 9 aumenta con la etapa constructiva, puesto que cada vez se agregan más cables. En general, el esfuerzo promedio en los torones disminuye a medida que avanzan las etapas constructivas. Luego del cierre, los efectos diferidos en el tiempo generan pérdidas promedio del 8%. El grupo de torones está ubicado en el centro de luz y los de la zona de estribos, que no son mostrados en la Fig. 9 por limitaciones de espacio, presentaron pérdidas del orden del 8% y 11%, respectivamente.

Fig. 9. Evolución de la fuerza en los torones (grupo 1) durante construcción y en la etapa de servicio.
Fuente: Autores.

3) Comportamiento de las pilas

La variación del momento flector longitudinal en la pila izquierda, mostrada con representativa, se presenta en la Fig. 10. En la figura se observa que el momento flector es casi constante en altura durante las etapas constructivas iniciales. En la etapa de cierre, sin embargo, se generan momentos flectores de mayor magnitud en la corona de la pila. Los momentos en los extremos de la pila crecen progresivamente durante las etapas siguientes hasta llegar al cierre. Una vez el puente es dejado bajo las acciones de las cargas permanentes y los procesos reológicos de los materiales, los momentos flectores en la base y la corona aumentan (7.9%) y disminuyen (5.6%), respectivamente, hasta la etapa final (t = 30 años). Este comportamiento se debe a la pérdida de tensión en el presfuerzo de la superestructura y al incremento de las deflexiones de la misma, lo que deriva en un desplazamiento lateral de la columna generando así el comportamiento descrito.

Fig. 10. Variación del momento flector en la pila.
Fuente: Autores.

B. Efecto de la variación de la humedad relativa

1) Efecto en las vigas

En general, las respuestas máximas de la viga cajón no cambiaron significativamente durante la construcción al variar la humedad relativa. Esto se evidencia en la Tabla 3, la cual presenta los valores promedios (prom.) y máximos (max.) de α y β obtenidos al comparar las respuestas internas de la viga inmediatamente se realiza el cierre de la estructura. Los subíndices AE, CL y AP en esta tabla corresponden a la zona de apoyo de estribos, centro de luz y apoyo de pila respectivamente. Debe recordarse que por la forma en que fueron escritas las ecuaciones para calcular α y β, una variación positiva indica que la respuesta para la humedad relativa media es mayor que aquella para las humedades extremas.

Tabla 3.
Cambios en la respuesta de la superestructura en el cierre de la construcción por la variación en HR.

Elementos mecánicos

Respuesta máxima para HRm

β 

α 

β

α

Prom

Prom

% Variación

% Variación

Momento longitudinal [kN–m]

MAE =

–82228

–0.36%

0.65%

–0.38%

0.69%

MCL =

–31527

–0.92%

1.60%

–1.15%

1.99%

MAP =

–101380

–0.15%

0.40%

–0.21%

0.72%

Fuerza axial [kN]

PAE =

–45560

–0.26%

0.45%

–0.36%

0.62%

PCL =

–43765

–0.16%

0.28%

–0.20%

0.35%

PAP =

–124727

–0.04%

0.06%

–0.08%

0.11%

Cortante [kN]

VAE =

–22.3

6.40%

–12.1%

33.0%

–62.4%

VCL =

32.70

0.46%

–0.81%

–2.20%

3.82%

VAP =

–20069

0.02%

0.05%

–0.04%

0.09%

Esfuerzos fibra superior [kPa]

σAE =

–118

–0.19%

0.37%

6.78%

–15.3%

σCL =

–411

3.66%

–5.97%

7.06%

–12.2%

σAP =

–101

0.63%

–1.51%

7.43%

–0.61%

Esfuerzos fibra inferior [kPa]

σAE =

–10000

–0.55%

0.48%

–1.00%

0.10%

σCL =

–9450

–0.50%

0.89%

–0.53%

0.95%

σAP =

–10300

–0.03%

0.35%

0.00%

0.97%

Fuente: Autores.

Como se observa en la Tabla 3, las variaciones promedio en el momento flector, fuerza axial, fuerza cortante en el centro de luz y en la zona sobre las pilas, y los esfuerzos normales longitudinales fueron inferiores al 6%. Sin embargo, el cortante vertical en la zona de apoyo sobre los estribos fue una respuesta sensible a las variaciones de humedad relativa, generando disminuciones picos del orden del 30% al modificar ese parámetro desde HRa HRm = 79.7% a HRa = 87.4%, y aumentos del orden de 60% al incrementar la humedad relativa desde HRm hasta HRb = 71.4%. A pesar de que la última variación fue relativamente alta, no significó un problema para la seguridad del puente puesto que la viga tenía suficiente capacidad en esa zona.

Los resultados de la comparación de las respuestas internas de la viga en la etapa de servicio (t = 30 años) para los tres valores de humedad relativa se resumen en la Tabla 4. En esa tabla se observa que las respuestas más sensibles al cambio del parámetro medioambiental fueron el momento flector en la zona de centro de luz, el cortante en apoyo de estribos y el esfuerzo normal en las fibras superiores en apoyos en estribos. Estas respuestas presentaron variaciones promedio (valores de α y β) que fluctúan entre +447 y –561%, –141 y 179% y –128 y 147%, respectivamente. Las mayores variaciones obtenidas en la etapa de servicio en comparación con las de construcción confirman que la respuesta de la viga a largo plazo es más sensible al cambio en la humedad relativa. Para el momento flector en el centro de luz se observaron valores máximos de α y β iguales a 447% y –561%, respectivamente, indicando que esta respuesta estructural puede ser significativamente subestimada si se elige una humedad relativa menor a la humedad real del sitio, o por el contrario, puede ser sustancialmente sobreestimada si la humedad relativa de diseño es mayor a la del sitio. Debe notarse que estos cambios tan fuertes para esa respuesta obedecen a que el momento flector en servicio obtenido para HRm es cercano a cero (Fig. 11), por lo que una leve diferencia en la respuesta genera una gran variación porcentual entre α y β.

Tabla 4.
Cambios en la respuesta de la superestructura en el estado de servicio por la variación en HR.

Elementos mecánicos

Respuesta máxima para HRm

β

α

β

α

Prom

Prom

% Variación

% Variación

Momento longitudinal [kN–m]

MAE =

–37837

–2.49%

2.38%

–2.88%

2.56%

MCL =

555

30.9%

–23.7%

–561.0%

447.5%

MAP =

–90260

0.81%

–1.02%

2.29%

–2.57%

Fuerza axial [kN]

PAE =

–38998

–1.89%

1.87%

–2.23%

2.24%

PCL =

–40113

–1.64%

1.61%

–1.76%

1.74%

PAP =

–116363

–0.76%

0.68%

–0.98%

0.89%

Cortante [kN]

VAE =

19.68

–9.25%

7.34%

179.8%

–141.7%

VCL =

29.97

–1.08%

0.61%

13.40%

–7.37%

VAP =

12456

0.15%

–0.16%

–0.76%

0.69%

Esfuerzos fibra superior [kPa]

σAE =

–30.2

22.2%

–19.9%

146.7%

–128.8%

σCL =

–4210

3.93%

–2.79%

4.75%

–3.56%

σAP =

–402

–4.48%

4.54%

–30.1%

29.9%

Esfuerzos fibra inferior [kPa]

σAE =

–10600

–2.17%

2.13%

–1.89%

2.83%

σCL =

–3270

–8.07%

6.78%

–9.79%

7.95%

σAP =

–4810

–0.31%

0.12%

–0.42%

0.42%

Fuente: Autores.
Fig. 11. Momento flector en el centro de luz.
Fuente: Autores.

Con relación a las deflexiones, los efectos de la variación de HR no fueron significativos durante construcción, ya que se obtuvieron cambios máximos iguales a α = 2.9% (5 mm) y β = 1.7% (3 mm) para la deflexión máxima en la etapa de cierre. La deflexión del puente en estado de servicio para los tres valores de humedad relativa se compara en la Fig. 12. Se puede observar que la reducción de HR aumenta la deflexión máxima del puente en el vano central. Esto se debe principalmente a que las pérdidas de presfuerzo son menores en la zona con la mayor HR analizada, resultando en deflexiones menores por la menor retracción del concreto. Para el punto con mayor deflexión (x = 183.5 m), se obtuvieron cambios de deflexión del orden de 14 mm (α = 4.74%) y 12.6 mm (β = 4.20%) respecto de la condición de referencia. Estas variaciones no son significativas desde el punto de vista práctico.

Fig. 12. Deflexión del tablero en servicio (t = 30 años) en función de la humedad relativa (HR).
Fuente: Autores.

2) Efecto en el presfuerzo

Fig. 13. Variación del esfuerzo en el acero activo del grupo 1 de tendones superiores debido al cambio en HR durante: a) etapa 18, b) cierre, y c) servicio.
Fuente: Autores.

Al analizar los datos obtenidos de los modelos computacionales se evidenció que durante las etapas constructivas no hubo cambios significativos en el esfuerzo efectivo de los tendones al variar la humedad relativa (Fig. 13a). Una vez se realiza el cierre del puente, se evidencia un ligero cambio en el esfuerzo promedio de los tendones, presentándose una mayor pérdida a medida que disminuye la humedad relativa (Fig. 13b). Los cambios más significativos se presentaron en la etapa de servicio (–1.67 ≤ α ≤ 2.24% y 1.77 ≤ β ≤ 4.74%), tiempo para el cual los efectos diferidos han provocado casi la totalidad de las pérdidas en el acero activo (Fig. 13c). En general, la Fig. 13 permite concluir que entre más bajo sea el valor de la humedad relativa, la pérdida de tensión en los cables será mayor, concordando esto con la ecuación del método aproximado (Sec. 5.9.5.3) de la Norma CCP–14 y lo reportando en [23].

3) Efecto en las pilas

Al igual que en el tablero, la incidencia de la humedad relativa en la respuesta de las pilas durante construcción no fue significativa, puesto que se obtuvieron valores de α y β inferiores al 3% durante todas las etapas previas al cierre. Una vez el puente se cierra y se deja bajo la acción combinada de las cargas gravitacionales y los efectos diferidos en el tiempo, el cambio en HR genera variaciones apreciables en el momento flector de las pilas, en especial para el escenario con mayor humedad relativa. Por ejemplo, el momento en la zona superior de las pilas en la etapa de servicio cambió –4.2% y 5.0% al modificar la humedad relativa de HRm a HRb y HRa, respectivamente (Fig. 14), mientras que en la base de las pilas estas variaciones fueron iguales a –1.5% y 1.3%, respectivamente. En el caso de la fuerza axial se obtuvo una variación inferior al 1%, mientras que en el cortante los valores picos de α y β fueron 8.3% y –11.4%, respectivamente, siendo esta última la respuesta más sensible al cambio en HR.

Fig. 14. Momento flector longitudinal en la pila izquierda en etapa de servicio.
Fuente: Autores.

IV. Conclusiones

En el presente estudio se determinó el efecto que tiene la variación de la Humedad Relativa del ambiente (HR) en el comportamiento estructural de un puente de viga cajón durante las etapas de construcción y en servicio en el territorio colombiano. Para ello se estudió la respuesta de un puente representativo bajo tres escenarios de HR (HRa = 87.1%, HRm = 79.7% y HRb = 71.4%). En el análisis se incluyeron los efectos producidos por el flujo plástico, la retracción de fraguado y la relajación del acero de presfuerzo, en conjunto con los efectos de segundo orden. Las principales conclusiones obtenidas a partir de los resultados son:

  1. Los cambios en las respuestas estructurales de los principales elementos del puente (viga, cajón y pilas) al presentarse variaciones de la humedad relativa durante el periodo constructivo son irrelevantes. Esto se explica por los tiempos relativamente cortos del proceso constructivo, los cuales hacen que el desarrollo de los fenómenos reológicos y su respectiva acumulación no sea significativa.
  2. Por el contrario, en la etapa de servicio cuando ya se han desarrollado en su totalidad los fenómenos reológicos, al cambiar de escenario de humedad relativa se evidencia que las magnitudes de las respuestas internas de los elementos del puente presentan diferencias significativas.
  3. Las acciones internas de los elementos principales del puente que fueron estudiados y que presentaron mayor sensibilidad al cambio en la humedad relativa fueron: el momento flector longitudinal de la viga en la zona cercana al centro de la luz principal, la fuerza cortante en la zona de apoyo de estribos y el esfuerzo normal en la fibra superior del tablero. Estas respuestas son críticas para el diseño de la superestructura, por lo tanto, deben evaluarse cuidadosamente en las etapas de diseño, en especial si la humedad relativa ambiental del sitio no es conocida con exactitud.
  4. Para proyectos de puentes clasificados como esenciales o críticos conforme lo establecido en el CCP14 [16], resulta recomendable instalar estaciones meteorológicas temporales en el sitio, antes de la construcción, con el fin de monitorear las variaciones medioambientales que ocurran en la zona y proponer ajustes a los valores asumidos durante el diseño. Esto permitirá calcular de mejor manera los efectos diferidos en el tiempo, pues si se asume una humedad relativa menor a la real se estaría realizando un diseño conservador para algunos elementos y si por el contrario se asume una mayor a la humedad en el sitio se estaría incurriendo en menores solicitaciones estructurales.

Referencias

[1] C. Fernández, “Ejecución de puentes pretensados por voladizos sucesivos”, Inf Constr, vol. 16, no. 156, pp. 7383, Dic. 1963. https://doi.org/10.3989/ic.1963.v16.i156.4622

[2] S. López y F. Tarquis, “Algunos métodos constructivos de puentes de gran luz”, ROP, no. 3752, pp. 4255, Ene. 2016. https://fdocuments.co/document/algunos-mtodos-constructivos-de-puentes-de-gran-puentes-arco-aqu-hay-bastantes.html?page=1

[3] R. Valle-Pascual, N. Carvajal-Monsalve, y J. C. Botero-Palacio, “Evolución de los parámetros geométricos de diseño en puentes construidos con voladizos sucesivos in situ”, Rev UIS Ing, vol. 16, no. 1, pp. 85100, Nov. 2017. https://doi.org/10.18273/revuin.v16n1-2017009

[4] S. Ates, “Numerical modelling of continuous concrete box girder bridges considering construction stages”, Appl Math Model, vol. 35, no. 8, pp. 38093820, Aug. 2011. https://doi.org/10.1016/j.apm.2011.02.016

[5] H. Somja and V. de Ville, “A new strategy for analysis of erection stages including an efficient method for creep analysis”, Eng Struct, vol. 30, no. 10, pp. 28712883, Oct. 2008. https://doi.org/10.1016/j.engstruct.2008.03.015

[6] H.-G. Kwak & J.-K. Son, “Determination of design moments in bridges constructed with a movable scaffolding system (MSS)”, Comput Struct, vol. 84, no. 31–32, pp. 21412150, Dec. 2006. https://doi.org/10.1016/j.compstruc.2006.08.044

[7] H.-G. Kwak and J.-K. Son, “Span ratios in bridges constructed using a balanced cantilever method”, Constr Build Mater, vol. 18, no. 10, pp. 767779, Dec. 2004. https://doi.org/10.1016/j.conbuildmat.2004.04.022

[8] A. C. Altunişik, A. Bayraktar, B. Sevim, S. Adanur & A. Domaniç, “Construction stage analysis of Kömürhan highway bridge using time dependent material properties”, Struct Eng Mech, vol. 36, no. 2, pp. 207223, Sep. 2010. https://doi.org/10.12989/sem.2010.36.2.207

[9] Z. Bažant, Q. Yu, H. Asce & G.-H. Li, “Excessive long–time deflections of prestressed box girders. I: Record–span Bridge in Palau and other paradigms”, J Struct Eng, vol. 138, no. 6, pp. 676686, Jun. 2012. https://doi.org/10.1061/(ASCE)ST.1943-541X.0000487

[10] Z. Bažant, Q. Yu & G.-H. Li, “Excessive long–time deflections of prestressed box girders. II: Numerical analysis and lessons learned,” J Struct Eng, vol. 138, no. 6, pp. 687696, Jun. 2012. http://dx.doi.org/10.1061/(ASCE)ST.1943-541X.0000375

[11] L. Rincón, Á. Viviescas, G. Chio, E. Osorio & C. Riveros, “Comparative analysis for monitoring long–term behavior of box girder bridges in Colombia”, presented at IABSE Congress, International Association for Bridge and Structural Engineering, NYC, NY, USA, Sept. 4-6 2019. https://doi.org/10.2749/newyork.2019.2114

[12] CEB–FIP Model Code 1990, CEB-FIP, Euro-International Committee for Concrete/International F­ederation for Pre-stressing, LDN, ENG, 1991. https://doi.org/10.1680/ceb-fipmc1990.35430.fm

[13] R. A. Medeiros-Junior, “Impact of climate change on the service life of concrete structures”, in Eco-­efficient Repair and Rehabilitation of Concrete Infrastructures, EGSU, UK: Woodhead Publishing, 2018, pp. 4368.

[14] M. Suárez, “Análisis del comportamiento estructural de puente viga cajón sometido a acciones sísmicas durante su construcción por voladizos sucesivos”, Tesis de Maestría, Fac Ing, UIS, BGA, CO, 2016.

[15] Midas. Midas Civil Online manual Civil structure design system (2018). [Online]. Available: http://manual.­midasuser.com/EN_Common/Civil/865/index.htm

[16] Norma Colombiana de Diseño de Puentes, LRFD CCP14, AIS, Asociación Colombiana de Ingeniería, BOG, CO, 2014. Disponible en https://www.invias.gov.co/index.php/archivo-y-documentos/documentos-tecnicos/3709-norma-colombiana-de-diseno-de-puentes-ccp14

[17] AASHTO, AASHTO LRFD Bridge Design Specifications, 6th ed. WA, USA: AASHTO, 2012.

[18] AASHTO, AASHTO LRFD Bridge Design Specifications, 7th ed. WA, USA: AASHTO, 2014.

[19] M. Grabow, “Construction stage analysis of cable–stayed bridges,” Master Thesis, TU Hamburg, HH, DE, 2004.

[20] E. Diaz & C. Santos, “Efecto de la humedad relativa en el comportamiento estructural de un puente viga cajón construido por el método de voladizos sucesivos,” Tesis de pregrado, UIS, BGA, CO, 2014.

[21] J. F. Ruiz, Cambio climático en temperatura, precipitación y humedad relativa para Colombia usando modelos meteorológicos de alta resolución (Panorama 2011–2100). BOG, CO: IDEAM, 2010. http://documentacion.ideam.gov.co/cgi-bin/koha/opac-detail.pl?biblionumber=1884&shelfbrowse_itemnumber=2040

[22] P. F. Takács, “Deformations in Concrete Cantilever Bridges: Observations and Theoretical Modelling”, doctoral thesis, NTNU, TRH, NO, 2002. Available: http://hdl.handle.net/11250/231135

[23] A. Aili and J.-M. Torrenti, “Modeling Long–term Delayed Strains of Prestressed Concrete with Real Temperature and Relative Humidity History”, JACT, vol. 18, no. 7, pp. 396408, Jul. 2020. https://doi.org/10.3151/jact.18.396

[24] Guide for Modeling and Calculating Shrinkage and Creep in Hardened Concrete, ACI 209-2R-08, ACI, American Concrete Institute, Farmington Hills, MI, USA, 1997. Recuperado de http://www.civil.north­western.edu/people/bazant/PDFs/Papers/R21.pdf

Cesar Mauricio Santos Durán. Universidad Industrial del Santander. Bucaramanga (Colombia). https://orcid.org/0000-0001-9594-1169

Edgar Fabián Díaz Durán. Universidad Industrial del Santander. Bucaramanga (Colombia). https://orcid.org/0000-0002-3539-3241

Jose Miguel Benjumea Royero. Universidad Industrial del Santander. Bucaramanga (Colombia). https://orcid.org/0000-0001-5654-948X