Mampostería confinada vs pórticos de hormigón: Selección de alternativas para viviendas por esfuerzos propios en Cuba

Confined masonry vs concrete frames: Selection of alternatives for self-effort houses in Cuba

DOI: 10.17981/mod.arq.cuc.30.1.2023.04

Artículo. Fecha de Recepción: 30/6/2022. Fecha de Aceptación: 1/7/2022.

Yadila Franco Rojas

Empresa Provincial de Servicios Técnicos del Arquitecto de la Comunidad. Santiago de Cuba (Cuba)

yadila.franco@nauta.cu

Liliana González Díaz

Universidad de Oriente. Santiago de Cuba (Cuba)

liliana@uo.edu.cu

Celene B. Milanes

Universidad de la Costa. Barranquilla (Colombia)

Nelson Saint Félix López

Universidad de Oriente. Santiago de Cuba (Cuba)

nelsonsaintf@gmail.com

Francisco Calderín Mestre

Universidad de Oriente. Santiago de Cuba (Cuba)

calderin@uo.edu.cu

.

Para citar este artículo:

Franco, Y., González, L., Milanes, C., Félix, N. y Calderín, F. (2023). Mampostería confinada vs pórticos de hormigón: Selección de alternativas para viviendas por esfuerzos propios en Cuba. MODULO ARQUITECTURA CUC, 30, 99126. http://doi.org/10.17981/mod.arq.cuc.30.1.2023.04

.

Resumen

El 60% de las viviendas en Santiago de Cuba se ejecutan por medios propios. Prevalecen las estructuras con pórticos de hormigón armado donde se violan requerimientos del diseño sismorresistente, incrementándose la vulnerabilidad sísmica del territorio. En esta investigación se evaluó el sistema estructural de muros portantes de mampostería confinada, poco utilizado en Cuba; el que además de posibilitar el empleo de materiales locales a disposición de la población, puede proveer un adecuado comportamiento ante la acción sísmica. Como resultados, se compararon dos variantes de viviendas diseñadas con estructuras de pórticos de hormigón armado y muros portantes de mampostería confinada, empleando la norma cubana NC 207, 2019 y la norma mexicana NTCM, 2020, respectivamente. Como conclusión, se demuestra que, aunque ambas variantes garantizan un comportamiento sísmico adecuado, en la estructura de muros portantes de mampostería confinada se reducen los costos en un 46%, evidenciando su factibilidad técnica y económica.

Palabras clave: Pórticos de hormigón armado; valoración técnica-económica; Santiago de Cuba; normas constructivas; norma cubana; norma mexicana

Abstract

60% of the houses in Santiago de Cuba are executed by their own means. Structures with reinforced concrete frames prevail where seismic-resistant design requirements are violated, increasing the seismic vulnerability of the territory. In this investigation, the structural system of confined masonry load-bearing walls, little used in Cuba, was evaluated. In addition, to enable the use of local materials available to the population, can provide adequate behavior in the face of seismic action. As a result, two variants of houses designed with reinforced concrete frame structures and confined masonry load-bearing walls were compared, using the Cuban standard NC 207, 2019 and the Mexican standard NTCM, 2020, respectively. It is shown that, although both variants guarantee an adequate seismic behavior, in the structure of confined masonry load-bearing walls, costs are reduced by 46%. This aspect evidencing its technical and economic feasibility as a conclusion.

Keywords: Reinforced concrete frames; technical-economic assessment; Santiago de Cuba; construction standards; Cuban norm; Mexican norm

Introducción

La mayor contradicción en la contemporaneidad se presenta en que gran parte de la población mundial no accede a las condiciones mínimas de vivienda digna —o directamente no accede a una vivienda— resultando en la vulneración de todos sus derechos, y exponiéndolo a un contexto completamente hostil (Nobile et al., 2021). Cuba no es ajena a esta situación, su fondo habitacional está envejecido y su estado técnico se ha agravado por la ocurrencia de desastres en mayor medida hidro-meteorológicos (Milanés y Fabian, 2018; Pérez & Milanés 2020), aunque coexiste el peligro sísmico en el país. En el período 2016-2017, ocurrieron dos series de sismos en la provincia Santiago de Cuba con magnitudes hasta 5.8 en la escala Richter. En enero de 2020 ocurrió un sismo de magnitud 7.1 con 264 réplicas registradas por el servicio sismológico nacional, perceptible en todo el país (Moreno, 2020). Más del 60% de los sismos perceptibles y fuertes que han ocurrido en Cuba, han presentado su epicentro en esta provincia (Chuy, 2010). A esto se le suma la perceptibilidad de otros eventos como estos ocurridos en islas adyacentes.

Además de presentar la mayor peligrosidad sísmica del país, esta provincia está entre las de mayor déficit habitacional (Ministerio de la Construcción de Cuba-MICONS, 2007). La Tabla 1 muestra el estado técnico-constructivo de las viviendas en el municipio Santiago de Cuba.

Tabla 1.

Fondo habitacional por estado técnico en el municipio Santiago de Cuba.

Municipio

Total

Bueno

%

Regular

%

Malo

%

Santiago de Cuba

159 326

110 561

69.4

26 534

16.6

22 231

14.0

Fuente: MICONS (2007).

El 69.4 % de las viviendas del municipio, poseen un buen estado técnico-constructivo; y un 30.6% presentan estado regular o malo. Sin embargo, estudios de vulnerabilidad sísmica (Candebat y Chuy, 2019), evidencian la probabilidad de ocurrencia de daños graves o totales en varias zonas de la ciudad, dada su elevada vulnerabilidad sísmica estructural. Con el objetivo de mitigar esta situación, se desarrolla un Programa de viviendas que contempla las nuevas construcciones y la conservación de las existentes; y por su forma de ejecución, las clasifica en: estatal; subsidiadas y por esfuerzo propio (Consejo de Estado de la República de Cuba. Decreto Ley 342, 2016). La construcción de viviendas llamadas “por esfuerzo propio”, es conocida en otros países de América Latina y Europa como “autoconstrucción de viviendas” (Marinilli, 2013; Crisafulli et al., 2020). Según Rodríguez (2017), en varios países europeos se han desarrollado proyectos autoconstruidos guiados por técnicos y asociaciones no gubernamentales, y construidos por las familias propietarias, en los que generalmente los costos son significativamente más bajos que los de vivienda normal.

La construcción de viviendas por esfuerzos propios en Cuba y en Santiago de Cuba, es la de mayor porciento ocupacional de suelo y se caracteriza por una inadecuada ejecución, el empleo de materiales de mala calidad, a la vez que se transgreden requerimientos del diseño sismorresistente como irregularidades en planta y elevación, discontinuidad estructural, secciones en columnas inferiores a las mínimas, refuerzo longitudinal asimétrico en columnas, excesivo espaciamiento de los cercos, mala ejecución de los nudos, entre otras, lo cual incrementa su vulnerabilidad sísmica estructural (Figura 1).

Figura 1. Violaciones de los requerimientos de diseño sismorresistente. a) Discontinuidad estructural. b) Mala ejecución del nudo. c) Secciones inadecuadas. Excesivo espaciamiento de cercos.

Fuente: Autores.

El sistema estructural porticado es el más utilizado para la construcción de viviendas y se ha arraigado en la cultura constructiva de la región oriental del país. Sin embargo, su buen comportamiento sísmico depende, en gran medida, de que en su detallado estructural se sigan los criterios generales establecidos por las normas para el análisis y el diseño de este tipo de estructuras y de su estricta ejecución. La mayoría de las normas de los países de la región, incluyendo Cuba, se sustentan en lo establecido por el código norte­americano (American Concrete Institute-ACI 318-08, 2008, cap. 18) sobre Estructuras resistentes a terremotos. Cuba cuenta con las normativas de la Oficina Nacional de Normalización NC 207 (2019) y NC 46 (2017), que rigen los requerimientos para el diseño de estas estructuras.

La mampostería, por su parte, se encuentra entre los materiales de construcción más antiguos y con más diverso uso por la humanidad. La a­lbañilería confinada es el sistema más empleado en América Latina para la construcción de viviendas de baja y mediana altura (Sánchez y Mebarki, 2009). En México, Perú, Guatemala y otros países, se ha popularizado su uso en edificios de 5 a 6 pisos (Zúñiga, 2005), pero sin embargo, en Cuba, aunque existen construcciones de la época colonial y de los albores del siglo XX que testifican el empleo de la mampostería, esta no forma parte de la cultura constructiva contemporánea del país.

La normativa cubana NC 774 (2012), no profundiza en el uso de la mampostería confinada en zonas sísmicas, se dan los principios para el proyecto, pero no las reglas de aplicación y tampoco prevé el comportamiento estructural ante sismos. Por su parte, México es uno de los países latinoamericanos, que se destaca en las investigaciones respecto al comportamiento del muro y del pórtico de hormigón armado confinante ante cargas laterales cíclicas, criterios plasmados en las Normas Técnicas Complementarias Mexicanas (Gobierno de la Ciudad de México, Secretario de Obras y Servicios, NTCM, 2020). Debido a ello, se recomienda su uso en Cuba, contextualizándola a las particularidades del país.

La alta durabilidad de las construcciones está relacionada directamente con los materiales utilizados en su edificación (Hidalgo et al., 2021). El empleo de recursos locales de calidad, asequibles a quienes construyen, con un diseño estructural y una ejecución adecuados, proveen una alternativa de solución habitacional sostenible. Esta investigación persigue como objetivo: valorar cuál es el sistema estructural más idóneo y recomendado para la construcción por esfuerzos propios de nuevas viviendas hasta dos niveles, con el empleo de materiales locales en la provincia Santiago de Cuba.

Desarrollo

En esta investigación, se realiza un análisis comparativo que contempla la valoración técnica-­económica de dos variantes de viviendas. Se parte de un prototipo, con la misma estructuración arquitectónica y empleando dos sistemas estructurales: pórticos de hormigón armado y muros portantes de mampostería confinada, diseñados según los criterios sismorresistentes que plantean las normativas NC 207 (2019) y NTCM (2020). El prototipo es una edificación de dos niveles, con paredes de mampostería, entrepiso y cubierta de losa de hormigón armado. La Figura 2 corresponde a la estructura de pórticos de hormigón armado y la Figura 3 a la de mampostería confinada.

Figura 2. Estructura de pórticos de hormigón armado. a) Planta de albañilería en primer nivel. b) Planta de albañilería en segundo nivel. c) Elevación.

Fuente: Autores.

Figura 3. Estructura de mampostería confinada. a) Planta de albañilería en primer nivel. b) Planta de albañilería en segundo nivel.c) Elevación.

Fuente: Autores.

Metodología

La ruta metodología llevada a cabo en esta investigación se representa en la Figura 4. Con el objetivo de comprender acerca de la variante de vivienda más adecuada para construir por esfuerzos propios, con los recursos al acceso de la población, se realiza una evaluación técnica-económica comparativa, a partir del análisis del comportamiento estructural sismorresistente de las viviendas y de sus costos de construcción, para lo cual los autores realizan un ajuste de la metodología para la Evaluación Rápida por Análisis Dinámico-ERAD (Álvarez, 1994). Esta modificación se sustenta en la aplicación del método de espectro de respuesta a la solución de un modelo de cálculo, que simplifica el análisis de edificios con oscilaciones acopladas de translación y torsión. Caracteriza el comportamiento sismorresistente del sistema estructural, a partir de un mínimo de variantes de edificios y la evaluación de un reducido número de parámetros de control.

Figura 4. Diseño metodológico de la investigación.

Fuente: Autores.

Para realizar este análisis se consideran los siguientes siete parámetros: 1) Evaluación de la peligrosidad sísmica y características de la base de suelo soportante; 2) generación de la variante del edificio; 3) evaluación de la tipología estructural y detalles constructivos; 4) testimonio acerca de la influencia de los parámetros variables seleccionados en el comportamiento dinámico de la variante generada; 5) diseño de las zonas críticas de la estructura; 6) comparación económica para estimar el costo adicional por seguridad sísmica; y, 7) evaluación final.

La evaluación de la peligrosidad sísmica tiene como objetivo obtener los datos de los sismos de cálculo, a partir de conocer las características ingeniero geológicas del sitio de emplazamiento de las variantes de viviendas estudiadas.

La generación de las variantes de viviendas permite caracterizar el comportamiento estructural de sus sistemas estructurales, ante solicitaciones producidas por los estados de cargas actuantes. Se establecen modelos físicos-­matemáticos que reproducen las características y propiedades esenciales de las estructuras tales como: materiales, cargas, condiciones de apoyo y geometría.

Para determinar la carga de sismo, se utiliza la normativa NC 46 (2017). Se parte del pre-­dimensionamiento de los elementos estructurales, según se establece en las normativas NC 207 (2019) y NTCM (2020). Para seleccionar los parámetros variables, se analizan las variantes de viviendas, en las que se modifican los parámetros con mayor influencia en su comportamiento dinámico, relativos a la geometría y al sistema de rigidización a cargas horizontales. La variable a comparar es la respuesta dinámica de ambas estructuras en zona de alta sismicidad.

Al realizar una evaluación cualitativa de la tipología estructural (superestructura y sub­estructura) del sistema estructural; de los detalles constructivos de elementos estructurales, en particular las uniones; así como, de las uniones entre elementos no estructurales con el sistema de rigidización a cargas horizontales; se obtienen conclusiones acerca de su capacidad de respuesta.

La influencia de los parámetros variables seleccionados en el comportamiento dinámico de la variante de vivienda generada, se analiza a través de la evaluación de un reducido número de parámetros de control, lo cual permite conocer si la respuesta de la edificación es adecuada ante el régimen de cargas impuestas. Para evaluar su comportamiento dinámico se establecen las siguientes hipótesis de cálculo:

  1. El sistema de cubierta de las edificaciones de hormigón armado, se considera como un elemento infinitamente rígido en su plano. Esta suposición podrá hacerse solamente si los pisos son losas de hormigón de más de 90 mm de espesor; y la porción del lado largo al lado corto del diafragma es menor que tres (NC 46, 2017).
  2. Se considera un comportamiento elástico lineal del material.
  3. La respuesta ante el sismo de las edificaciones, es oscilatoria.
  4. Se considera la base de suelo soportante como rígida.
  5. El grado de amortiguamiento de las estructuras analizadas es bajo (5%), tal que se desprecia en el cálculo de los valores propios.
  6. Las condiciones de apoyo de los elementos que soportan a la estructura, fueron modeladas de forma tal que trasmitan cargas horizontales y verticales.
  7. Las estructuras pueden ser reducidas a una barra ficticia con rigideces equivalentes en la dirección de los desplazamientos considerados.

Para la evaluación de los parámetros de control y los niveles de demanda de solicitaciones de los elementos de la estructura portante de las variantes, se utiliza el software profesional SAP 2000 (v. 20), en el cual están implementados los métodos de solución correspondientes a los modelos y métodos de cálculos adoptados. Se utiliza el software profesional Statgraphics 18.1.08, para el procesamiento de datos.

Las cargas sísmicas se determinan a través de un análisis dinámico espacial, basado en el método del espectro de respuesta. Se emplea el software SAP 2000 (v. 20), a través del cual se consideran todos los modos representativos; y es posible evaluar la magnitud de estas fuerzas de inercia, para lo cual se define previamente un espectro de respuesta, sobre la base de la normativa NC 46 (2017).

El diseño de las zonas críticas parte del concepto de que toda estructura debe ser capaz de soportar la fuerza inercial que proporciona un evento sísmico, y transmitirla nuevamente al terreno, sin poner en peligro su funcionamiento, por ello existen zonas críticas que forman parte del sistema sismorresistente compuesto por elementos rígidos capaces de distribuir estas fuerzas inerciales. Cualquier dificultad en las uniones imposibilitará que las cargas sísmicas se transmitan adecuadamente al terreno, de ahí que el diseño de las uniones adquiere una vital importancia en el diseño sismorresistente de las estructuras, independientemente del sistema estructural empleado.

En el análisis modal, se visualizan los nudos y zonas donde se presentan los valores extremos de reacciones de tracción para las combinaciones de cargas consideradas. Los elementos estructurales de hormigón armado y sus uniones, se diseñan según los requerimientos que establece la normativa NC 207 (2019), con la ayuda de una plantilla Excel para el diseño a cortante y a flexión. En tanto, los elementos de la estructura de muros portantes de mampostería confinada, se sustentan en los requerimientos establecidos en las normativas ACI:318 (2008) y NTCM (2020), respectivamente.

A través de la comparación económica se evalúa la incidencia del costo adicional por seguridad sísmica. Para ello realiza un presupuesto preliminar; teniendo en cuenta las actividades fundamentales que pueden influenciar en el resultado de ambas viviendas y los volúmenes de materiales necesarios. Se determinan los costos directos de la estructura; con el uso del software profesional PRESWIN (v. 7.4), soportado en la base de datos establecida en el Sistema de Precios de la Construcción-PRECONS II (MICONS, 2020). Finalmente se realiza la evaluación final sustentada en los aspectos técnicos y económicos que caracterizan ambos proyectos, lo que permite discernir acerca de su correcta elección.

Resultados y discusión

A continuación, se describen los resultados, siguiendo el proceso metodológico de la investigación.

Evaluación de la peligrosidad sísmica y características de la base de suelo soportante

En la Figura 5 se presenta el mapa de zonificación sísmica de Cuba. Se puede observar que la ciudad Santiago de Cuba, se ubica en la zona de mayores aceleraciones espectrales, definidas en la NC 46 (2017) como zona 5. Esta zona se caracteriza por tener un peligro sísmico muy alto, que incrementa la posibilidad de ocurrencia de graves daños en las construcciones, lo cual obliga a tomar medidas sismorresistentes en las obras y estructuras de ingeniería, en función de su categoría ocupacional y nivel de protección definido, según la probabilidad de ocurrencia de este tipo de amenaza.

Figura 5. Zonificación sísmica para la República de Cuba.

Fuente: NC 46 (2017).

Las viviendas se considerarán emplazadas en un suelo tipo D, caracterizado por perfiles de suelos rígidos de diferentes espesores, con velocidades de la onda de cortante entre 180 m/s ≤ vs ≤ 360 m/s. Este suelo es característico de arcillas semi-duras con espesor de capa de 3.00 m, sin presencia del manto freático. Se seleccionó este tipo de suelo por ser el menos rígido, entre los que predominan en el municipio. Para conformar el espectro del sismo de diseño, es imprescindible la clasificación del sitio (NC 46, 2017).

La aceleración espectral horizontal máxima para el cálculo Sa, para períodos cortos (Ss), oscila entre 0.80 g – 1.10 g, y en el caso de períodos largos (S1), se encuentra entre 0.30 g – 0.50 g. Se considera un sismo de diseño básico con una probabilidad de ser excedido en un período de 50 años de vida útil de 10%, para un período de retorno de 475 años. Para el diseño, se considerarán como Obras ordinarias, de ocupación normal que pueden tolerar daños estructurales que las hagan inoperables como consecuencia de un sismo severo, sin llegar al colapso parcial o desplome (NC 46, 2017).

Generación de las variantes de viviendas

La Tabla 2 muestra las propiedades de los materiales utilizados en el modelo. En la Tabla 3, se resumen los estados de cargas: permanentes, uso y sismo.

Tabla 2.

Propiedades de los materiales.

Propiedades

Mampostería (5 MPa)

Hormigón (20 MPa)

Hormigón (25 MPa)

Acero

(G-40)

Peso por unidad de volumen (kN/m3)

17 000

24 000

24 000

76 973

Masa por unidad de volumen

1 733

2 447

2 447

7 849

Módulo de elasticidad

(kN/m2)

3 922 660

27 324 749

30 550 000

1 999 E+08

Coeficiente de Poisson

0.20

0.17

0.17

0.30

Módulo de Cortante (kN/m2)

1 634 441.7

11 677 243

13 055 556

76 903 069

Fuente: Autores.

Tabla 3.

Cargas permanentes y de utilización.

Nivel

Cargas permanentes (kN/m2)

Cargas de utilización (kN/m2)

Pórticos de hormigón armado

Mampostería confinada

Pórticos de hormigón armado

Mampostería confinada

Cubierta

Enrajonado: 0.18 kN/m2/cm × 6 cm = 1.08 kN/m2

Mortero: 20.00 kN/m3 × 0.02 m = 0.40 kN/m2

Soladura: 0.20 kN/m2/cm × 1 cm = 0.20 kN/m2

Total: 1.68 kN/m2

Techo plano con desagüe libre y accesible al público:

2.00 kN/m2

Entrepiso

Relleno: 17 kN/m3 × 0.04 m = 0.68 kN/m2

Mortero: 20.00 kN/m3 × 0.02 m = 0.40 kN/m2

Mosaico: 0.23 kN/m2/cm × 1.5 cm = 0.352 kN/m2

Tabiques de bloques de 0.15 m = 2 kN/m2

Total: 3.43 kN/m2

Habitaciones de viviendas:

1.50 kN/m2

Fuente: NC 283 (2003a) y NC 284 (2003b).

Evaluación de la tipología estructural y detalles constructivos

La Tabla 4 muestra algunos factores que intervienen en la respuesta sísmica de ambos sistemas estructurales.

Tabla 4.

Caracterización cualitativa de cada variante

Variables

Sistema estructural

Pórticos de hormigón armado

Mampostería confinada

Solución de cimentación

Cimentación aislada arriostrada con vigas de cimentación.

Ciclópeos corridos y vigas de cimentación.

Solución de columnas

Columnas de sección cuadrada con refuerzo simétrico.

Pilastras y castillos de sección cuadrada con refuerzo simétrico.

Solución de vigas de entrepisos y cubiertas

Vigas integrales con la losa.

Vigas integrales con la losa y dalas en nivel inferior de vanos.

Solución de losas de entrepiso y cubierta

Losa de hormigón armado.

Losa de hormigón armado.

Uniones entre elementos

Continuas.

Continuas.

Regularidad en planta

Regular.

Regular.

Regularidad en elevación

Regular.

Regular.

Calidad del hormigón

f ’c = 25.0 MPa

f ’c = 20.0 MPa

Calidad del acero

fy = 300 MPa

fy = 300 MPa

Fuente: Autores.

Testimonio acerca de la influencia de los parámetros variables seleccionados en el comportamiento dinámico de la variante generada

La Figura 6 muestra la modelación de la geometría de las viviendas de pórticos de hormigón armado y de mampostería confinada, respectivamente. Se establecen modelos tridimensionales de las estructuras, que incorporan los elementos fundamentales comprometidos con la respuesta estructural del sistema.

Figura 6. Modelo de la geometría. a). Sistema estructural de pórticos de hormigón armado. b) Sistema estructural de mampostería confinada.

Fuente: Autores.

Se utiliza un espectro de respuesta elástico de aceleración del terreno como modelo de referencia, que describe los movimientos originados por sismos en un punto sobre la superficie del terreno. La capacidad de la estructura para disipar energía, principalmente a través de comportamiento dúctil, puede ser considerada mediante la ejecución de un análisis elástico basado en un espectro de respuesta reducido, con respecto al elástico, que se logra introduciendo el factor de comportamiento o coeficiente de reducción por ductilidad. Este factor adopta valores en función de la capacidad de la estructura, para disipar la energía a través del desarrollo de deformaciones plásticas. Ha sido tomado con un valor igual a 4 para la estructura porticada (Morejón, 2018), e igual a 2 para la de mampostería confinada con bloques macizos que son los recomendados para estructuras sismorresistentes (NTC-S, 2020). La Figura 7 muestra el espectro de respuesta elástico utilizado.

Figura 7. Espectro de diseño para suelo tipo D.

Fuente: Autores.

Para la revisión de la capacidad portante de los elementos comprometidos en la respuesta estructural, así como, para el chequeo de los desplazamientos horizontales y del efecto P-Delta, se consideraron combinaciones de cargas racionales, factibles y simultáneas que producen solicitaciones pésimas en las estructuras y que tienen en consideración los aspectos funcionales y de durabilidad, referidas por la norma sísmica cubana NC 46 (2017). Se definen a partir de las cargas gravitatorias especificadas para la vivienda y las cargas sísmicas para la acción simultánea del sismo en las tres direcciones principales del edificio.

Combinaciones de cargas

  1. (PP+CP)+0.20CT+0.20CTcub+CSx+0.30CSy
  2. (PP+CP)+0.20CT+0.20CTcub+0.30CSx+CSy
  3. (PP+CP)+0.30CSx+CSy
  4. (PP+CP)+CSx+0.30CSy
  5. (PP+CP)+CT+CT cub
  6. 1.20(PP+CP)+0.50CT+0.20CTcub+CSx+0.30CSy
  7. 1.20(PP+CP)+0.50CT+0.20CTcub+0.30CSx+CSy
  8. 0.90(PP+CP)+0.30CSx+CSy
  9. 0.90(PP+CP)+CSx+0.30CSy
  10. 1.20(PP+CP)+CT+CT cub

Donde:

PP: Peso propio de los elementos.

CTcub: Cargas temporales en cubierta.

CP: Cargas permanentes.

CSx: Carga de sismo en la dirección del eje X.

CT: Cargas temporales en entrepiso.

CSy: Carga de sismo en la dirección del eje Y.

Se asume un comportamiento cuasi-elástico, lo cual garantizaría daños mínimos en los elementos estructurales sin comprometer su resistencia o la de la estructura en su conjunto (Álvarez et al., 2022), con poca influencia de los efectos de segundo orden debido a la geometría.

La modelación de las estructuras, posibilita obtener los períodos fundamentales de vibración, la participación modal de las masas, así como las correlaciones modales. Se obtienen también las derivas últimas máximas tolerables (Tabla 5; Tabla 6; Tabla 7; Tabla 8). Todas estas variables se comprueban con los límites establecidos según la normativa NC 46 (2017), los cuales ofrecen el testimonio del comportamiento dinámico de las estructuras analizadas.

Tabla 5.

Período fundamental de vibración para cada tipo de estructura.

Períodos fundamentales de vibraciones

No

Períodos (seg.)

Pórticos de hormigón armado

Mampostería confinada

Modos

1

0.286

0.089

2

0.277

0.069

3

0.236

0.066

4

0.095

0.034

.

.

.

20

0.010

0.003

21

0.009

0.003

Fuente: Autores.

Se compara el período fundamental de vibración, asociado al primer modo (Tabla 5), con el período de vibración empírico establecido por la normativa NC 46 (2017), según la ecuación (1).

Sistemas E1. Pórticos de hormigón armado

CT = 0.049; x = 0.75; hn: Altura de la edificación = 7.00 m.

To: Período de vibración empírico; To = 0.049 * (7.00 m) 0.75 = 0.2108 seg.

T = 1.4 * 0.2108 seg; T = 0.295 seg > 0.286 seg. Cumple.

Sistema E2. Muros de mampostería confinada

CT = 0.047; x = 0.90; hn: Altura de la edificación = 6.00 m.

To: Período de vibración empírico; To = 0.047 * (6.00m) 0.90 = 0.2357.

T = 1.4 * 0.2357 seg; T = 0.33 seg > 0.089 seg Cumple.

Ambos modelos de estructuras cumplen con el parámetro referente al tiempo requerido para completar un ciclo de vibración libre, siendo este inferior al máximo establecido por la norma, condición favorable para las estructuras e indicativo de una adecuada respuesta estructural.

Tabla 6.

Participación modal de las masas.

Participación modal

No

Estructura de pórticos de hormigón armado

Estructura de mampostería confinada

SumUX

SumUY

SumUX

SumUY

Modos

1

0.0007

0.8512

0.0006

0.5598

2

0.8265

0.8522

0.0515

0.6321

3

0.8441

0.8531

0.6471

0.6429

4

0.8444

0.8864

0.6472

0.6449

.

.

.

.

.

20

0.9999

0.9997

0.8868

0.7838

21

1.0000

1.0000

0.9221

0.9191

Fuente: Autores.

La suma de las masas modales efectivas para los modos considerados, equivale como mínimo al 90% de la masa total de la estructura; garantizando la inclusión de más del 90% de la masa participante de la estructura, en el cálculo de la respuesta, para cada dirección horizontal principal. En la Tabla 7 se muestra las correlaciones modales, no se observa acoplamiento entre formas propias de oscilación en las direcciones ortogonales. Está dado porque, a valores significativos de las razones de masas participativas en una dirección, le corresponden valores muy pequeños en la dirección perpendicular, por lo que no se esperan amplificaciones significativas en la respuesta global de la estructura.

Tabla 7.

Correlaciones modales.

Correlaciones

No

Estructura de pórticos de hormigón armado

Estructura de mampostería confinada

UX

UY

UX

UY

Modos

1

0.0007

0.8512

0.0006

0.5598

2

0.8258

0.0010

0.0509

0.0722

3

0.0176

0.0010

0.5956

0.0109

4

0.0003

0.0332

0.0001

0.0002

.

.

.

.

.

20

0.0005

0.0001

0.1324

0.0344

21

0.0001

0.0003

0.0353

0.1354

Fuente: Autores.

Para el control de los desplazamientos laterales, interesan las derivas (Δ), definidas como la diferencia entre el desplazamiento de un nodo del diafragma k y el correspondiente nodo en el diafragma k – 1 (NC 46, 2017). El control de derivas sirve para limitar el daño en elementos estructurales y no estructurales (en muchos casos ocasionan pérdida de vidas humanas); limitar las rotaciones inelásticas, así como efectos de segundo orden.

En la Tabla 8 se muestran el resultado de las derivas en ambas estructuras y las derivas ultimas máximas tolerables (ΔU) que se obtienen según la ecuación 2.

Para edificaciones ordinarias:

Siendo hp, la altura del piso para el que se calcula la deriva (NC 46, 2017).

Por tanto: ΔU = 0.02 * 2.70 m = 0.054 m.

Tabla 8.

Derivas últimas máximas tolerables.

Derivas últimas máximas tolerables ΔU (m)

Estructura de pórticos de hormigón armado

Estructura de mampostería confinada

Derivas

ΔX

0.0007

0.0019

ΔY

0.0230

0.0406

ΔU

0.0540

0.0540

Fuente: Autores.

Se cumplen todas las derivas en X y en Y. Esta condición favorece el comportamiento sísmico de la edificación, toda vez que el aumento de la capacidad de desplazamiento está asociado a mayores daños debido a la incursión de los materiales en rangos inelásticos con el fin de garantizar la ductilidad asociada a la disipación asignada (Benjumea et al., 2021).

La influencia de los parámetros variables en los parámetros de control, se evalúa comparando los valores alcanzados por estos últimos para cada sistema estructural, con diferencias significativas en sus secciones geométricas; refuerzos y forma de trabajo de los elementos estructurales. Es preciso significar que la población cubana, que construye por esfuerzos propios tiene acceso solo a barras de acero de diámetro de 12.7 mm como máximo.

Para el sistema sismorresistente de pórticos de hormigón armado se requiere refuerzo trasversal doble en pedestales y columnas, para garantizar un adecuado confinamiento del núcleo de hormigón y la estabilidad de las barras, brindando resistencia al elemento frente a la acción de la fuerza cortante. En tanto, el sistema estructural de mampostería confinada, tiene un mejor comportamiento dinámico, posee un período menor. Los desplazamientos en el tope de la estructura son inferiores; en comparación con el sistema de pórticos de hormigón armado; por lo que éste último es más flexible.

La Tabla 9 expone los valores del cortante basal en dos direcciones. El cortante basal es importante para obtener la magnitud de las fuerzas internas que se desarrollan en los elementos estructurales (Herrera, 2017). Se muestra además el porciento del peso total del edificio que se convierte en fuerza basal horizontal (Coeficiente Sísmico, Cs) (Rodes, 2018); en todos casos, menor que el 27%.

Tabla 9.

Reacciones en la base.

Ejes

Estructura de pórticos de hormigón armado

Estructura de mampostería confinada

X

Y

Z

X

Y

Z

Cortante basal (kN)

322.38

329.29

0

327.34

337.00

0

Peso sísmico (kN)

0

0

1222.24

0

0

1577.50

Coeficiente sísmico

0.26

0.27

0

0.21

0.21

0

Fuente: Autores.

Los coeficientes sísmicos obtenidos se comparan con los establecidos en la normativa NC 46 (2017), la cual establece valores mínimos y máximos según la ecuación 3 y ecuación 4.

Donde:

SDS: Es la aceleración espectral de diseño para período cortos.

Cs ≥ 0.044 * 0.683 ≥ 0.01; Cs ≥ 0.03 ≥ 0.01; cumpliéndose en todos los casos.

Dónde:

T: Es el período fundamental de la estructura en segundos.

TL: Es el período de transición del período largo, igual a seis para el municipio Santiago de Cuba.

R: Es el factor de reducción de respuesta sísmica, con valor de cuatro para el sistema estructural de pórticos de hormigón armado; e igual a dos para el sistema estructural de mampostería confinada con piezas macizas establecidos en la normativa NTCM (2020).

Por lo que para la estructura porticada:

Cs ≤ 0.683 / (0.286 * 4) = 0.60 → Cumple.

En la estructura de mampostería confinada:

Cs ≤ 0.683 / (0.089 * 2) = 3.84 → Cumple.

De lo anterior se evidencia un buen comportamiento dinámico de ambas variantes con el uso de materiales locales. Arteaga et al. (2017) aseguran que en la mampostería no se producen cambios bruscos en las propiedades resistentes y las rigideces, haciéndolo capaz de soportar pequeñas deformaciones; además de ser un sistema eficiente en comparación con los de pórticos; permite solventar problemas de diseño que el sistema de pórticos presenta como son: excentricidades, problemas de derivas que no se cumplen, problemas de torsión, rigidez u otros. En tanto, Pérez-Gavilán et al. (2018) afirman que el punto correspondiente a la resistencia máxima de la curva de capacidad de los muros queda asociado a daños reparables. Por lo antes descrito se puede plantear que la estructura de mampostería confinada, como sistema estructural genera daños secundarios menores, con la ocurrencia de sismos dentro del espectro de diseño, lo cual facilita reforzamientos estructurales más sencillos.

Diseño de las zonas críticas de la variante generada

La Figura 8 y Figura 9 muestran los resultados del diseño de los elementos estructurales en la estructura de pórticos de hormigón armado. La Figura 10, Figura 11 y Figura 12 ilustran los de la estructura de muros portantes de mampostería confinada.

Figura 8. Cimentación en estructura de pórticos de hormigón armado. a) Plato de cimentación b) Viga de cimentación.

Fuente: Autores.

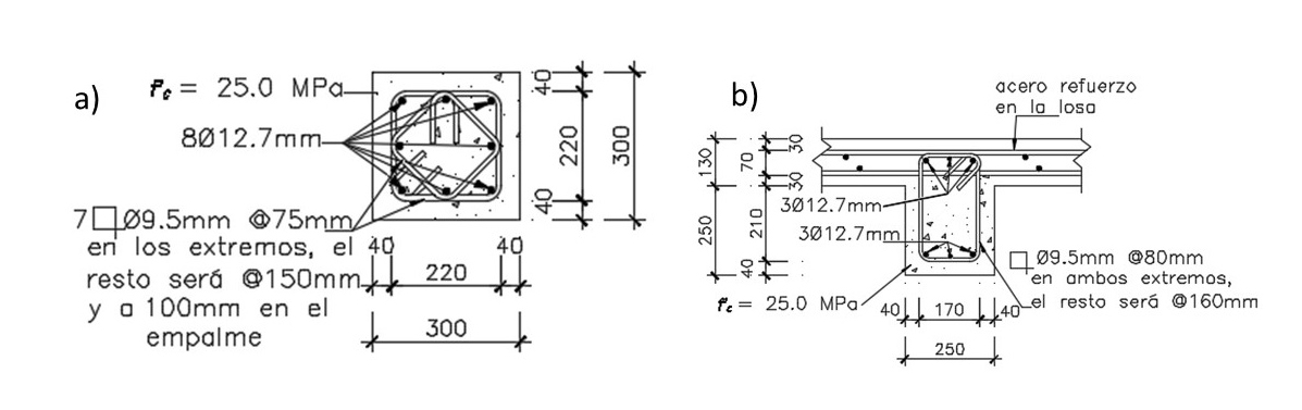
Figura 9. Sección de columnas y vigas de entrepiso y cubierta en estructura de pórticos de hormigón armado. a) Columnas b) Vigas de entrepiso y cubierta.

Fuente: Autores.

Figura 10. Cimentación en estructura de muros portantes de mampostería confinada. a) Cimiento corrido b) Viga de cimentación.

Fuente: Autores.

Figura 11. Sección de pilastras y castillos en estructura de muros portantes de mampostería confinada. a) Pilastras b) Castillos.

Fuente: Autores.

Figura 12. Sección de dalas y vigas de entrepiso y cubierta en estructura de muros portantes de mampostería confinada. a) Dalas. b) Vigas de entrepiso y cubierta.

Fuente: Autores.

No se detalla el refuerzo en la losa de entrepiso ni cubierta porque no influye significativamente como parámetro variable en el costo de la obra; debido a la similitud de los costos de la mano de obra y de los materiales empleados. La Figura 13 muestra los diagramas de tensiones actuantes más desfavorables en la mampostería.

Figura 13. Diagrama de tensiones. a) Tensiones en la mampostería S11 (kN/m2). b) Tensiones en la mampostería S12 (kN/m2).

Fuente: Autores.

Se observa un decrecimiento considerable de las tensiones en los pisos superiores. Los diagramas de fuerzas a cortante muestran incrementos de tensiones de los muros por diferencia de rigidez, producto a las aberturas de ventanas, coincidiendo con lo planteado por Rodés (2018); con frecuencia en las intercepciones entre las dalas del nivel inferior de los vanos y los castillos adyacentes, principalmente en el primer nivel estructural. Se aprecia un incremento de solicitaciones a cortante en el nivel inferior y superior de las pilastras principales; ambos cercanos a las vigas zapatas y de entrepiso, respectivamente. En la fachada longitudinal de la mampostería, en especial en áreas con aberturas, se dan las mayores solicitaciones. La combinación 6 es la más desfavorable, donde interactúan el 100% de las fuerzas de sismos en el eje x; y el 30% en el eje y; conjuntamente con las fuerzas gravitatorias.

En la mampostería confinada, la resistencia ante cargas laterales y verticales del muro, deberá revisarse para el efecto de carga axial, de fuerza cortante, de momentos flexionantes en su plano y cuando proceda, también para momentos flexionantes normales a su plano principal de flexión (NTCM, 2020).

La carga vertical resistente PR se calcula según la ecuación 5.

Donde:

FE = 0.6 → Factor de reducción por los efectos de excentricidad y esbeltez, para muros extremos o con luces que difieran en más de 50%, así como para casos en que la relación entre cargas vivas y cargas muertas de diseño excede de uno.

As → Área total del acero de refuerzo longitudinal colocado en cada uno de los castillos extremos del muro.

fy → Esfuerzo especificado de fluencia del acero para el diseño.

f´m = 50 kg/cm2 → Resistencia a compresión para diseño de la mampostería.

AT Área bruta de la sección transversal del muro que incluye a los castillos.

PR = 8 553.03 kN <<<< que los máximos esfuerzos actuantes.

La resistencia a flexo-compresión de la mampostería, se obtiene según la ecuación 6 y ecuación 7.

En tanto la resistencia a flexión pura del muro se obtiene según la ecuación 8.

Donde:

d´→ Distancia entre los centroides del acero colocado en ambos extremos del muro.

d → Distancia entre el centroide del acero de tracción y la fibra a compresión máxima.

Pu → Carga axial de diseño a compresión, cuyo valor se tomará con signo positivo.

Las cargas axiales y momentos actuantes del muro fueron obtenidas utilizando el software SAP2000 (v. 20) para el diseño, se evalúan mediante el comando show table en la barra Display, y se muestran estos valores según cada (section cuts).

M0 = 537.63 kN-m

Siendo:

Pu = 59.42 kN < 8 553.03 kN/3

Luego:

MR = 458.18 kN-m >> 6.42 kN-m (momento máximo actuante) → cumple.

La resistencia a cargas laterales, VR será proporcionada por la mampostería VMR y se obtiene según la ecuación 9, en tanto, VMR se acepta que parte de la fuerza cortante sea resistida por el acero de refuerzo horizontal o por mallas de alambre soldado según la ecuación 10, VaR, de modo que:

Donde:

El factor ƒ se determinará como:

ƒ: 1.5 si H/L ≤ 0.2.

ƒ: 1.0 si H/L ≥ 1.0.

Siendo H/L= 2.40 m/1.85 m = 1.60.

El factor de resistencia, FR, se tomará igual a 0.7.

La resistencia a la compresión diagonal para diseño de la mampostería, V´m, será igual a 0.20 MPa (2.00 kg/cm2) para bloques de hormigón, según lo establece la norma NTCM (2020).

VMR = 34 007.82 kg << 98 280 kg.

En cuanto a las condiciones de resistencia lateral, debido a la fuerza cortante de la mampostería, se cumple la condición de:

VMR = FR [(0.5 V´m AT + 0.3 P) ƒ] ≤ 1.5 FR V´m AT ƒ → por lo que la mampostería confinada por sí sola, resiste la fuerza cortante (NTCM, 2020).

Comparación económica para estimar costo adicional por seguridad sísmica

Se compara el consumo de materiales en ambas variantes de viviendas, así como los costos directos obtenidos con el uso del software PRESWIN (v. 7.4), soportado en la base de datos establecida en el Sistema de Precios de la Construcción PRECONS II (MICONS, 2020) (Figura 14).

Figura 14. Análisis comparado del consumo de materiales y costos en ambas variantes de viviendas. a) Consumo de materiales principales para ambas estructuras. b) Costo total de la obra para ambas estructuras.

Fuente: Autores.

Como se aprecia, el consumo de materiales para la estructura de mampostería confinada es menor que en el sistema de pórticos de hormigón armado, especialmente en lo referido al cemento y el acero, dos de los materiales más costosos; y, además que, en su producción consumen más energía y emiten a la atmósfera mayores porcentajes de CO2 (Londoño, 2022), asegura que los factores que determinan el aumento o no en el costo de las viviendas, son la cantidad de concreto y acero de refuerzo, considerando que en el método porticado, al ser más robustos los elementos estructurales aumentan considerablemente su costo.

Unido a ello, el costo de mano de obra y de materiales en el sistema estructural de mampostería confinada es menor en comparación con el sistema estructural de pórticos de hormigón armado; lo que deriva menor costo total de la construcción, lo que corresponde con lo planteado por Campozano (2011) e Idrovo y Picón (2022).

Villatoro (2014) y Londoño (2019) afirman que en estratos medios y familias de escasos recursos económicos, la mampostería es preferida por el fácil acceso al mercado de materiales, así como en la facilidad de adquisición de mano de obra a precios menores. Al analizar todos los recursos materiales, la mano de obra y el tiempo de ejecución, la mampostería resulta más económica que el sistema de pórticos de hormigón.

Conclusiones

Las viviendas con sistema estructural porticado, hasta dos niveles, tipología I en el municipio Santiago de Cuba (Cuba), poseen un adecuado comportamiento sismorresistente, requiriendo secciones y cuantías de acero mínimas, siendo posible la utilización del acero de 12.7 mm (1/2´´) como refuerzo longitudinal teniendo en cuenta la disponibilidad de los recursos locales, siempre y cuando se utilicen cercos o estribos de confinamiento dobles en pedestales y columnas.

Las viviendas de mampostería confinada, de tipología I, hasta dos niveles, en el municipio Santiago de Cuba (Cuba), con muros de bloques macizos de 0.15 m de espesor y ƒ´m de 5.00 MPa, con el pre-dimensionamiento y cuantías de acero mínimas de los elementos estructurales establecidos en la norma mexicana NTCM (2020), poseen un comportamiento sismorresistente adecuado.

Ambas variantes de sistemas estructurales deben ser ejecutadas respetando las características y condiciones específicas, para que se obtenga una respuesta dinámica favorable ante las acciones de cargas cíclicas repetitivas dentro del espectro de diseño, según la zona donde se emplazarán las viviendas.

La variante de vivienda con mampostería confinada es más económica, posee menores costos de materiales y mano de obra; siendo la idónea para construir viviendas por esfuerzos propios hasta dos niveles, con materiales locales, siempre contando con el asesoramiento técnico respectivo y suministradores de materiales cuyo producto cumpla con las exigencias técnicas recomendadas por la normativa NTCM (2020).

Referencias

ACI. (2008). Building Code Requirements for Structural Concrete and Commentary [ACI 318-08]. https://www.concrete.org

Álvarez, E. (1994). Erdbebensichere Konstruktion rahmen— und scheibenstabilisierter Hochhaeuser. [Tesis Doctoral]. HAB–Weimar.

Álvarez, E., Lora, F. y López, Z. (2022). Proceso de diseño sismorresistente de edificios de viviendas de mampostería reforzada para zonas de alta peligrosidad sísmica. Informes de la Construcción, 74(566), 113. https://doi.org/10.3989/ic.85554

Arteaga, J., Malavé y J. Olival. (2017). Comparación del diseño de muros estructurales de concreto armado según FONDO NORMA 1753:2006 y ACI 318-14. Revista Ingeniería UC, 24(1), 125137. http://servicio.bc.uc.edu.ve/ingenieria/revista/

Benjumea, J., Chaparro, A. C., Suárez, A. y Villalba-Morales, J. (2021). Desempeño sísmico y cantidades de obras de edificaciones a porticadas de concreto reforzado diseñadas para diferentes capacidades de disipación de energías. Revista EIA, 18(35), 116. https://doi.org/١٠.٢٤٠٥٠/reia.v١٨i٣٥.١٤٥٤

Candebat, D. y Chuy, T. (2019). Estudio resumen de peligro, vulnerabilidad y riesgo. [Reporte de investigación]. Centro Nacional de Investigaciones Sismológica-CENAIS. https://www.cenais.gob.cu/cenais/

Campozano, V. (2011). Comparación analítica sismo­rresistente entre estructuras aporticadas de hormigón armado y estructuras con muros de mampostería confinada, de cuatro plantas, para su aplicación en la ciudad de Jipijapa. [Tesis de grado, Universidad Estatal del Sur de Manabí]. Repositorio Digital UNESUM. http://repositorio.unesum.edu.ec/handle/53000/272

Chuy, T. J. (2010). Modelo de peligro sísmico de la provincia Santiago de Cuba. [Inédito]. CENAIS. https://www.cenais.gob.cu/cenais/

Crisafulli, F. J., Genatios, C. y Lafuente, M. (2020). Vivienda de interés social en américa latina. Una guía para sistemas constructivos sismorresistentes. CAF.

Gobierno de la Ciudad de México. Secretario de Obras y Servicios. (2020a). Normas Técnicas Complementarias para diseño y construcción de estructuras de mampostería con comentarios.[NTCM]. Gaceta Oficial de la Ciudad de México. https://www.smie.org.mx/informacion-tecnica/ntc-mamposteria.php

Gobierno de la Ciudad de México. Secretaria de Obras y Servicios. (2020b). Normas Técnicas Complementarias para Diseño por Sismo [NTC-S]. Gaceta Oficial de la Ciudad de México. https://www.smie.org.mx/informacion-tecnica/ntc-diseno-sismo.php

Herrera, M. (2017, 19-21 de julio). Desempeño sísmico en estructuras aporticadas de concreto armado y de albañilería confinada utilizando aisladores elastoméricos. [Conferencia]. 15 LACCEI International Multi-Conference for Engineering, Education, and Technology, Boca Ratón, USA. http://laccei.org/LACCEI2017-BocaRaton/meta/FP204.html

Hidalgo, R., Pérez, O. y Milanés, C. (2021). La vivienda de los tres espacios de Portoviejo como patrimonio cultural de las comunidades rurales manabitas. Módulo Arquitectura CUC, 27, 219246. http://doi.org/10.17981/mod.arq.cuc.27.1.2021.09

Idrovo, D. y Picón, C. (2022). Análisis estructural de tecnologías constructivas; mampostería confinada, pórticos especiales de hormigón armado y sistema dual en edificios de 3 y 6 pisos en la ciudad de Cuenca. [Trabajo titulación, Universidad Católica de Cuenca]. Red de Repositorio de Acceso Abierto del Ecuador. https://rraae.cedia.edu.ec/Record/UCACUE_0484b7ae38df44ac21abffb59ffeb34a

Londoño, A. F. (2019). Estudio y análisis comparativo entre el método porticado y mampostería estructural, realizado en la construcción de casas de uno y dos pisos, establecido en la Empresa Panorama Grupo Constructor SAS. [Tesis de pregrado, Universidad Católica de Colombia]. Repositorio Institucional. https://repository.ucatolica.edu.co

Marinilli, A. (2013). Vivienda de mampostería confinada con elementos de concreto armado. Fundación Venezolana de Investigaciones Sismológicas-Funvisis.

Milanés , C. y Fabian, C. (2018). Experiencias metodológicas para la gestión del riesgo. Corporación Universidad de la Costa, CUC. http://repositorio.cuc.edu.co/handle/11323/1076

Morejón, G. (2018). Factor de reducción de las fuerzas sísmicas en edificios de pórticos de hormigón armado en Cuba. [Tesis Doctoral, Universidad Tecnológica de La Habana]. CENAIS. https://www.cenais.cu/productos/publicaciones/TESIS/DOCTORADOS/TESIS%20DOCTORAL-Grisel%20Morej%C3%B3n.pdf

Moreno, T. (2020). Último sismo perceptible hasta la fecha en la provincia Santiago de Cuba. [Tech. Report TR-01, Enero]. CENAIS.

NC. (2019). Requisitos generales para el diseño y construcción de estructuras de hormigón. [NC 207]. https://ftp.isdi.co.cu/Biblioteca/BIBLIOTECA%20UNIVERSITARIA%20DEL%20ISDI/COLECCION%20DIGITAL%20DE%20NORMAS%20CUBANAS/2003/NC%20207%20%20a2003%20196p%20xfe.pdf

NC. (2017). Construcciones sismorresistentes. Requisitos básicos para el diseño y construcción. [NC 46]. https://ftp.isdi.co.cu/Biblioteca/BIBLIOTECA%20UNIVERSITARIA%20DEL%20ISDI/COLECCION%20DIGITAL%20DE%20NORMAS%20CUBANAS/1999/NC%2046.PDF

NC. (2012). Código de buenas prácticas para obras de mampostería. [NC 774]. https://ftp.isdi.co.cu/Biblioteca/BIBLIOTECA%20UNIVERSITARIA%20DEL%20ISDI/COLECCION%20DIGITAL%20DE%20NORMAS%20CUBANAS/2012/NC%20774%20a2012%2072p%20dsh.pdf

NC. (2003a). Densidad de materiales naturales, artificiales y de elementos de construcción como carga de diseño. [NC 283]. https://ftp.isdi.co.cu/Biblioteca/BIBLIOTECA%20UNIVERSITARIA%20DEL%20ISDI/COLECCION%20DIGITAL%20DE%20NORMAS%20CUBANAS/2003/NC%20283%20%20a2003%2010p%20sax.pdf

NC. (2003b). Edificaciones. Cargas de uso. [NC 284]. https://ftp.isdi.co.cu/Biblioteca/BIBLIOTECA%20UNIVERSITARIA%20DEL%20ISDI/COLECCION%20DIGITAL%20DE%20NORMAS%20CUBANAS/2003/NC%20284%20%20a2003%2011p%20xua.pdf

Nobile, C., Puppo, M. y Sader, A. (2021). Casas, gérmenes y virus. Episodios de eclosión entre la enfermedad y el habitar. Módulo Arquitectura CUC, 27, 167194. http://doi.org/10.17981/mod.arq.cuc.27.1.2021.07

Pérez-Gavilán, J. J., Aguirre, J., y Ramírez, L. (2018). Sismicidad y seguridad estructural en las construcciones: lecciones aprendidas en México. Salud Pública de México, 60(Suplemento 1), S41S51. https://doi.org/10.21149/9300

Pérez, O. & Milanés, C. (2020). Social perception of coastal risk in the face of hurricanes in the southeastern region of Cuba. Ocean and Coastal Management, 184(1), 105110. https://doi.org/10.1016/j.ocecoaman.2019.105010

República de Cuba. Consejo de Estado. (2016). Decreto Ley no. 342. Modificativo de la Ley no. 65 de 23 de diciembre de 1988, «ley general de la vivienda». Gaceta Oficial No. 15 Extraordinaria de 11 de abril de 2017. http://juriscuba.com/legislacion-2/decretos-leyes/decreto-ley-no-342/

República de Cuba. MICONS. (2020). Sistema de precios de la construcción. [PRECONS II]. https://www.micons.gob.cu/es/documento-del-marco-normativo/listas-del-sistema-de-costos-de-la-construccion-2022

República de Cuba. MICONS. (2007). Política de la vivienda en Cuba. https://www.micons.gob.cu/sites/default/files/MICONS/Marco%20Normativo/POLITICA%20GENERAL%20DE%20LA%20VIVIENDA.pdf

Rodes, M. (2018). Evaluación del comportamiento estructural sismo­rresistente de edificios de muros de cargas con tecnología FORSA. [Tesis de Maestría]. Universidad de Oriente.

Rodríguez, H. (2017, 28 de abril). La autoconstrucción en España: requisitos técnicos y proceso. Mimbrea. http://www.mimbrea.com/la-autoconstruccion-en-espana-2/

Sánchez, S. y Mebarki, A. (2009). Método semi- empírico para estimar la resistencia lateral en muros de mampostería confinada. Revista de Ingeniería sísmica, (80), 113127. https://doi.org/10.18867/ris.80.72

Villatoro, J. (2014). Comparación de calidad entre una construcción de mampostería vs. Concreto reforzado en viviendas unifamiliares. [Tesis de grado, Universidad de San Carlos de Guatemala]. Repositorio Centroamericano SIICA-CSUCA. https://repositoriosiidca.csuca.org/Record/RepoUSAC2079

Zúñiga, C. (2005). Evaluación analítica de la respuesta sísmica de las edificaciones de mampostería. [Tesis de Maestría, Universidad Autónoma Metropolitana Unidad Azcapotzalco]. Repositorio Institucional Zaloamati. http://hdl.handle.net/11191/5728

* La investigación que da origen a los resultados presentados en la presente publicación recibió fondos de la Oficina de Gestión de Fondos y Proyectos Internacionales bajo el código PN211LH012- 22.

Yadila Franco Rojas es Ingeniero Civil. Empresa Provincial de Servicios Técnico del Arquitecto de la Comunidad. https://orcid.org/0000-0002-5546-6911

Liliana González Díaz es Dr. C. Universidad de Oriente (Cuba). https://orcid.org/0000-0002-5606-982X

Celene B. Milanes es Dr. C. Departamento de civil y ambiental. Universidad de la Costa (Colombia). https://orcid.org/0000-0003-2560-8859

Nelson Saint Félix López es Ms. C. Universidad de Oriente (Cuba). https://orcid.org/0000-0002-9857-4533

Francisco Calderín Mestre es Dr. C. Universidad de Oriente (Cuba). https://orcid.org/0000-0002-1198-7627